
Obavijest e‑poštom kada ovaj proizvod postane dostupan
Prednaruči proizvod
- Opis
- Upute
- Načini plaćanja
- Jamstvo
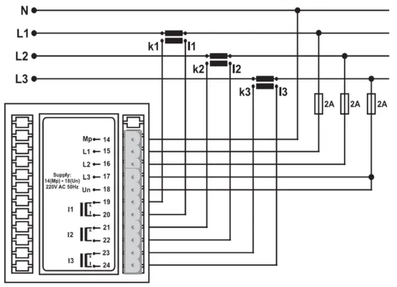
Multimetar - 3-fazni panelni multimetar, višefunkcijski digitalni panelni mjerač, pokazivač struje, napona i frekvencije, proizvođač TENSE (Turska), panelni mjerači
Trofazni VAHz panelni mjerač izmjenične struje za mjerenje struje, napona i provjeru fazne veze u trofaznim uređajima, strojevima ili razvodima izmjenične struje.
Glavne prednosti:
- (I,U(L-L,L-N,HZ);
- Opseg mjerenja:
- (EM-06 i EM-72), indirektno mjerenje 5/5...9995/5A (EM-06 i EM-72), 1A - 100A (EM-100D) , 2-250A (EM-250D);
-
Napon - 1V-300V AC (L-N), 1V-500V AC (L-L);
- frekvencija - 40Hz-60Hz;
-
Praćenje faze;
- Mjerni transformator je uključen u isporuku (EM-100D i EM-250D).
Obično se ovaj multimetar (EM-06/EM-72) koristi s mjernim transformatorima struje - 60/5 75/5 100/5 150/5 200/5 250/5 300/5 400/5 500/5 600/5 800/5 1000/5 1500/5 ili sličnim. Takve transformatorе možete kupiti u našem e-shopu,
Preuzimanje na
Online kartično plaćanje - nakon dovršetka narudžbe bit ćete preusmjereni na pristupnik plaćanja, potvrda plaćanja bit će poslana na vašu e-poštu
COD - uplatu plaćate prema nalogu za plaćanje vozaču prijevoznika
Bankovnom doznakom- najkasnije sljedeći radni dan na Vaš e-mail dobivate predračun na kojem se nalazi broj računa koji ćete unijeti prilikom plaćanja.
Na fakturu - ova opcija plaćanja dostupna je partnerima koji imaju potpisan okvirni ugovor s našom tvrtkom.
Ako želite koristiti zadnja 2 načina, nazovite našeg menadžera i on će vam dati upute kako primiti račun sa ili bez PDV-a.
Elektro oprema koju isporučujemo zadovoljava visoke standarde kvalitete, ima jamstvo od 24 mjeseca i zadovoljava sve EU zahtjeve.
Također imamo besplatnu dostavu (za narudžbe iznad 100 EUR), fleksibilan sustav popusta i promocija. Tehničko znanje i iskustvo naših zaposlenika omogućuje nam kvalitetno savjetovanje i, po potrebi, ponudu alternativa električnim proizvodima.
Električna oprema koju isporučujemo zadovoljava visoke standarde kvalitete, pokrivena je jamstvom od 24 mjeseca i ispunjava sve zahtjeve EU-a.
U slučaju reklamacije povrat robe se ne naplaćuje.
