Asimetrični cikličar / Vremensko ciklično rele s dvostrukim zaslonom -12VDC,230VAC
Nije uspjelo učitavanje dostupnosti preuzimanja
Vremensko rele - treptalo na početku impulsa , Treptalo na početku pauze cikličko rele - simetrični / asimetrični ciklus
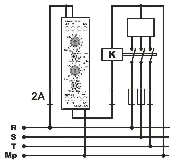
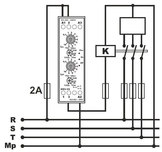
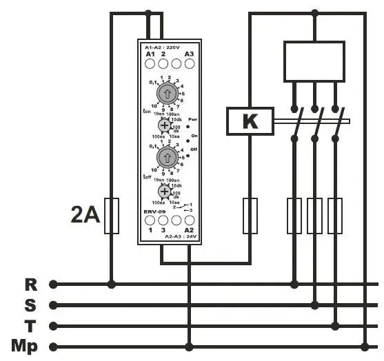
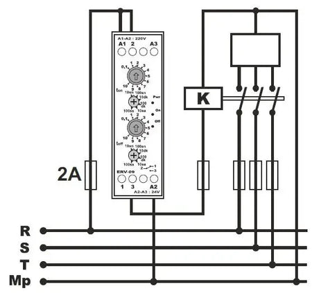
Cikličko rele ili ciklički vremenski rele koristi se za periodično uključivanje električnog opterećenja (kao što su svjetiljke, ventilatori itd.) ili za napajanje upravljačkih signala u automatskim nadzornim ili upravljačkim sustavima (na primjer uključivanje sigurnosnog treptajućeg svjetla ili zvučnog signala). Ovaj ciklični tajmer može biti koristan za organiziranje automatskih ventilacijskih procesa, otvaranje i zatvaranje prozora, periodično uključivanje grijanja ili ventilacije, za osvjetljenje ili okretanje reklamnih natpisa.
Ako rele konfigurirate tako da su vremena njegovog uključenja i pauze simetrična, može se, na primjer, upotrijebiti za postupno uključivanje nekih električnih uređaja u slučaju ograničenja struje / snage (grijaći elementi, grijači). Prisutnost preklopnog izlaznog kontakta omogućuje pokretanje ciklusa ili pulzno ili s pauzom.
Vremenski rele se montira na standardnu 35mm DIN šinu
gpt-5-chat-latestToday at 13:31
Na hrvatski prijevod izgleda ovako:
Načini plaćanja
Online plaćanje karticom – nakon dovršetka narudžbe bit ćete preusmjereni na platnu stranicu, a potvrdu o uplati dobit ćete e‑poštom.
Pouzećem – iznos prema uplatnom nalogu plaćate vozaču dostavne službe.
Transakcijom / bankovnom uplatom – na Vašu e‑poštu najkasnije sljedeći radni dan dobit ćete predračun na kojem se nalazi broj računa koji trebate upisati prilikom plaćanja.
Na račun (fakturu) – ovu opciju plaćanja imaju partneri koji s našom tvrtkom imaju potpisan okvirni ugovor.
Ako biste željeli koristiti zadnja 2 načina plaćanja, nazovite našeg menadžera i on će Vam dati upute kako dobiti račun s PDV‑om ili bez PDV‑a.
Električni uređaji koje isporučujemo zadovoljavaju visoke standarde kvalitete, imaju jamstvo 24 mjeseca i ispunjavaju sve zahtjeve EU.U slučaju reklamacije povrat robe se ne naplaćuje.
