
Obavijest e‑poštom kada ovaj proizvod postane dostupan
Prednaruči proizvod
- Opis
- Upute
- Načini plaćanja
- Jamstvo
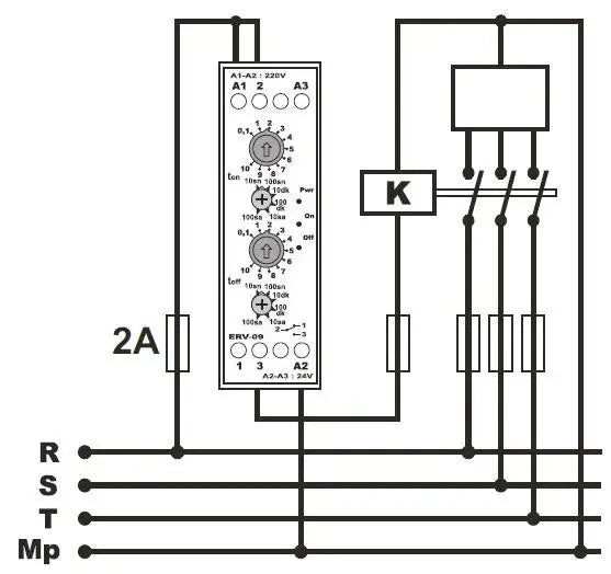
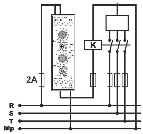
Vremenski relej - Bljeskalica na početku impulsa , Bljeskalica na početku pauze ciklički relej - simetrični / asimetrični ciklus
Ciklički relej ili ciklički vremenski relej koristi se za periodično uključivanje električnog opterećenja (kao što su rasvjeta, ventilatori itd.) ili za napajanje upravljačkih signala u automatskim nadzornim ili upravljačkim sustavima (na primjer uključivanje nužnog treptajućeg svjetla ili zvučnog signala). Ovaj ciklički tajmer može biti koristan za organiziranje automatskih ventilacijskih procesa, otvaranje i zatvaranje prozora, periodično uključivanje grijanja ili ventilacije, za osvjetljenje ili okretanje reklamnih natpisa.
Ako relej konfigurirate tako da su mu vrijeme uključenja i pauze simetrični, može se, na primjer, koristiti za postupno uključivanje nekih električnih uređaja u slučaju ograničenja struje / snage (grijaći elementi, generatori topline). Prisutnost preklopnog izlaznog kontakta omogućava pokretanje ciklusa ili u impulsnom načinu ili s pauzom.
- vremenski relej - ciklički uređaj s neovisno podesivim vremenom uključenja i isključenja izlaza
- služi za redovito provjetravanje prostorija, cikličko sušenje vlage, upravljanje rasvjetom, cirkulacijske pumpe, svjetlosne reklame itd.
- Vremenski relej montira se na standardnu 35mm DIN šinu
Online kartično plaćanje - nakon dovršetka narudžbe bit ćete preusmjereni na pristupnik plaćanja, potvrda plaćanja bit će poslana na vašu e-poštu
COD - uplatu plaćate prema nalogu za plaćanje vozaču prijevoznika
Bankovnom doznakom- najkasnije sljedeći radni dan na Vaš e-mail dobivate predračun na kojem se nalazi broj računa koji ćete unijeti prilikom plaćanja.
Na fakturu - ova opcija plaćanja dostupna je partnerima koji imaju potpisan okvirni ugovor s našom tvrtkom.
Ako želite koristiti zadnja 2 načina, nazovite našeg menadžera i on će vam dati upute kako primiti račun sa ili bez PDV-a.
Elektro oprema koju isporučujemo zadovoljava visoke standarde kvalitete, ima jamstvo od 24 mjeseca i zadovoljava sve EU zahtjeve.
Također imamo besplatnu dostavu (za narudžbe iznad 100 EUR), fleksibilan sustav popusta i promocija. Tehničko znanje i iskustvo naših zaposlenika omogućuje nam kvalitetno savjetovanje i, po potrebi, ponudu alternativa električnim proizvodima.
Električna oprema koju isporučujemo zadovoljava visoke standarde kvalitete, pokrivena je jamstvom od 24 mjeseca i ispunjava sve zahtjeve EU-a.
U slučaju reklamacije povrat robe se ne naplaćuje.
Možda bi ti se moglo svidjeti
Nedavno pregledani proizvodi
- Odabir opcije uzrokuje ponovno učitavanje cijele stranice.
