
Obavijest e‑poštom kada ovaj proizvod postane dostupan
Prednaruči proizvod
- Opis
- Upute
- Načini plaćanja
- Jamstvo
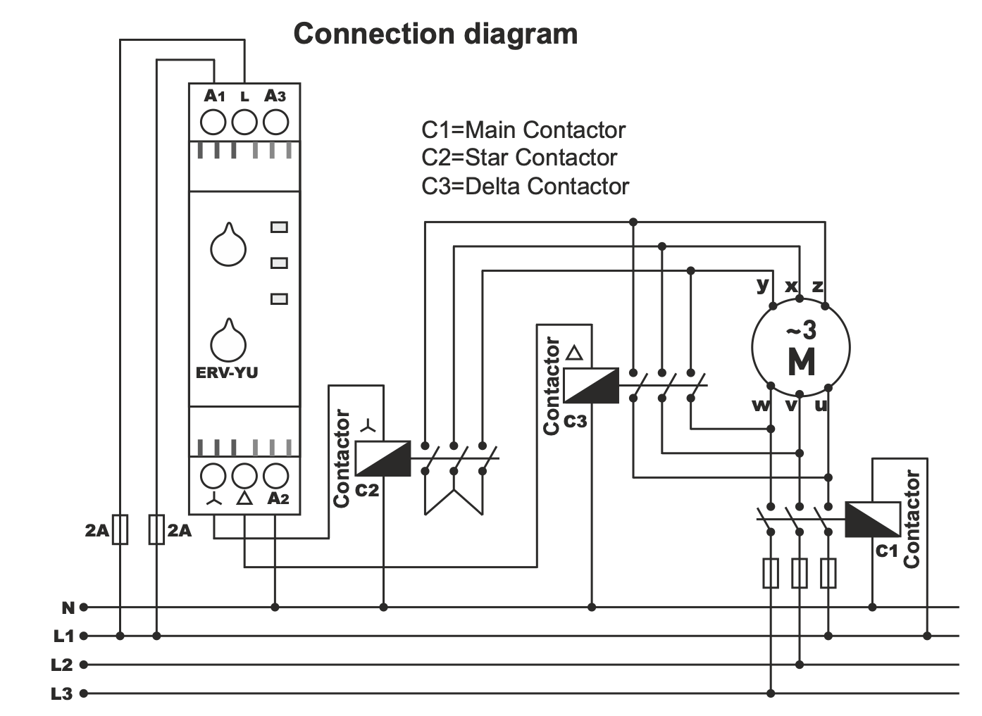
Automatski preklopnik zvijezda-trokut / Vremenski relej zvijezda-trokut 24VAC/DC – 240V AC s 1 preklopnim kontaktom.
Automatski preklopnik zvijezda-trokut - Vremenska releja zvijezda-trokut su dizajnirana za upotrebu pri prvom pokretanju trofaznih motora. Kada je zavojnica pod naponom, prebacuje se na zvjezdno spajanje kako bi se omogućilo pokretanje motora. Zvijezda ostaje priključena određeno vrijeme, a zatim prelazi u stanje pripravnosti. Nakon isteka vremena čekanja omogućuje se prebacivanje na delta (trokut) spajanje. Time se postiže učinkovitost smanjenjem struje koju crpe motori velike snage pri pokretanju.
Vremenski relej se montira na standardnu 35 mm DIN šinu
Online kartično plaćanje - nakon dovršetka narudžbe bit ćete preusmjereni na pristupnik plaćanja, potvrda plaćanja bit će poslana na vašu e-poštu
COD - uplatu plaćate prema nalogu za plaćanje vozaču prijevoznika
Bankovnom doznakom- najkasnije sljedeći radni dan na Vaš e-mail dobivate predračun na kojem se nalazi broj računa koji ćete unijeti prilikom plaćanja.
Na fakturu - ova opcija plaćanja dostupna je partnerima koji imaju potpisan okvirni ugovor s našom tvrtkom.
Ako želite koristiti zadnja 2 načina, nazovite našeg menadžera i on će vam dati upute kako primiti račun sa ili bez PDV-a.
Elektro oprema koju isporučujemo zadovoljava visoke standarde kvalitete, ima jamstvo od 24 mjeseca i zadovoljava sve EU zahtjeve.
Također imamo besplatnu dostavu (za narudžbe iznad 100 EUR), fleksibilan sustav popusta i promocija. Tehničko znanje i iskustvo naših zaposlenika omogućuje nam kvalitetno savjetovanje i, po potrebi, ponudu alternativa električnim proizvodima.
Električna oprema koju isporučujemo zadovoljava visoke standarde kvalitete, pokrivena je jamstvom od 24 mjeseca i ispunjava sve zahtjeve EU-a.
U slučaju reklamacije povrat robe se ne naplaćuje.
Možda bi ti se moglo svidjeti
Nedavno pregledani proizvodi
- Odabir opcije uzrokuje ponovno učitavanje cijele stranice.
