
Obavijest e‑poštom kada ovaj proizvod postane dostupan
Prednaruči proizvod
- Opis
- Upute
- Načini plaćanja
- Jamstvo
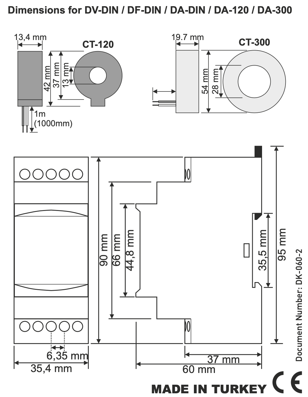
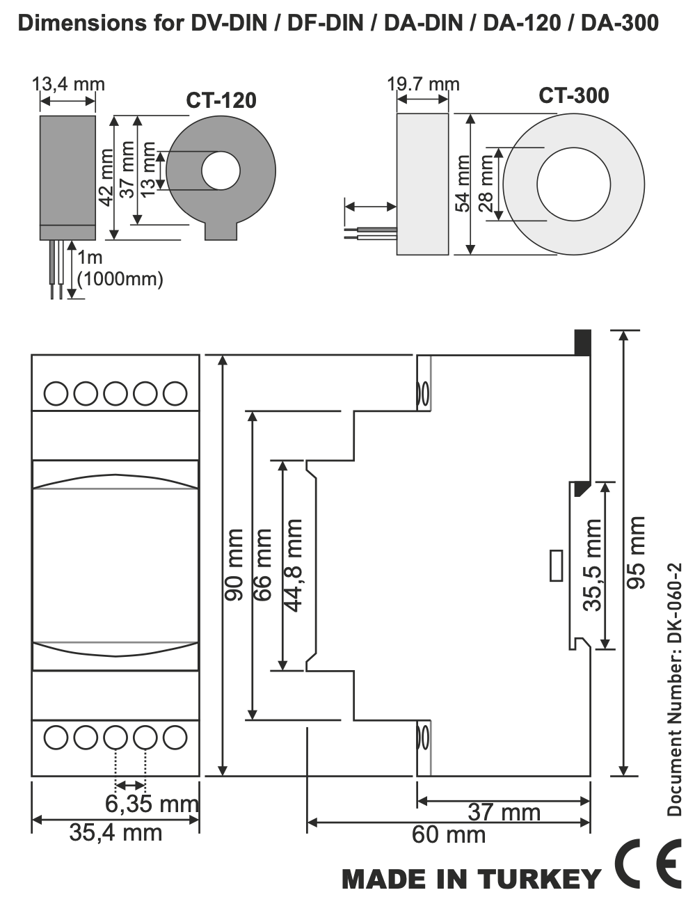
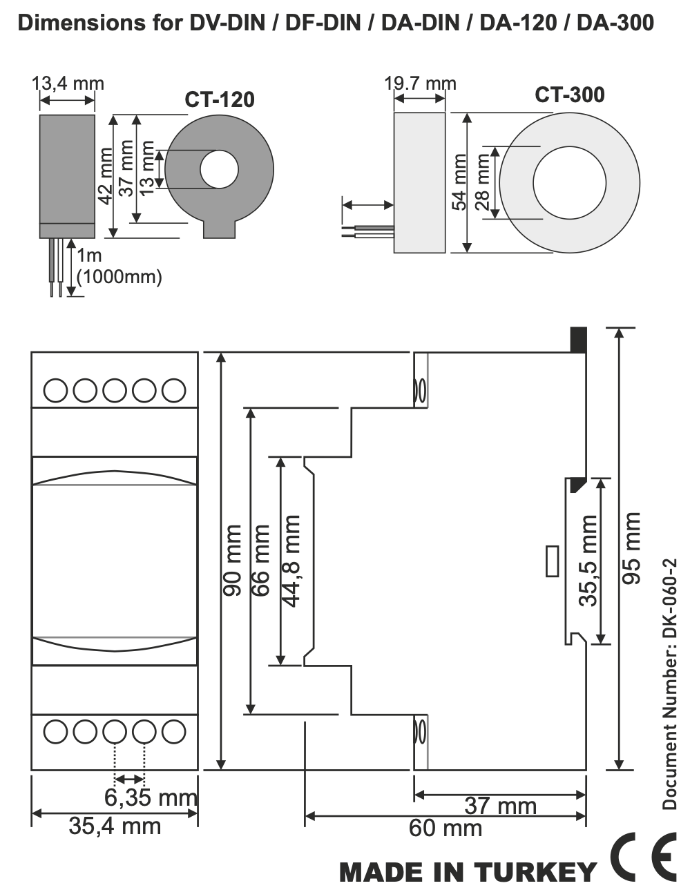
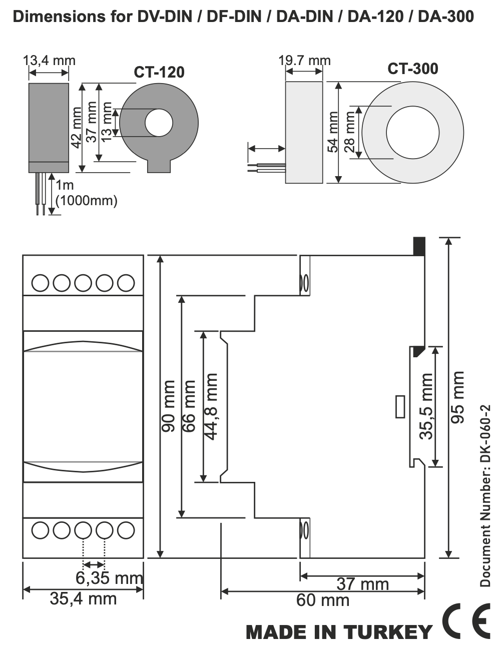
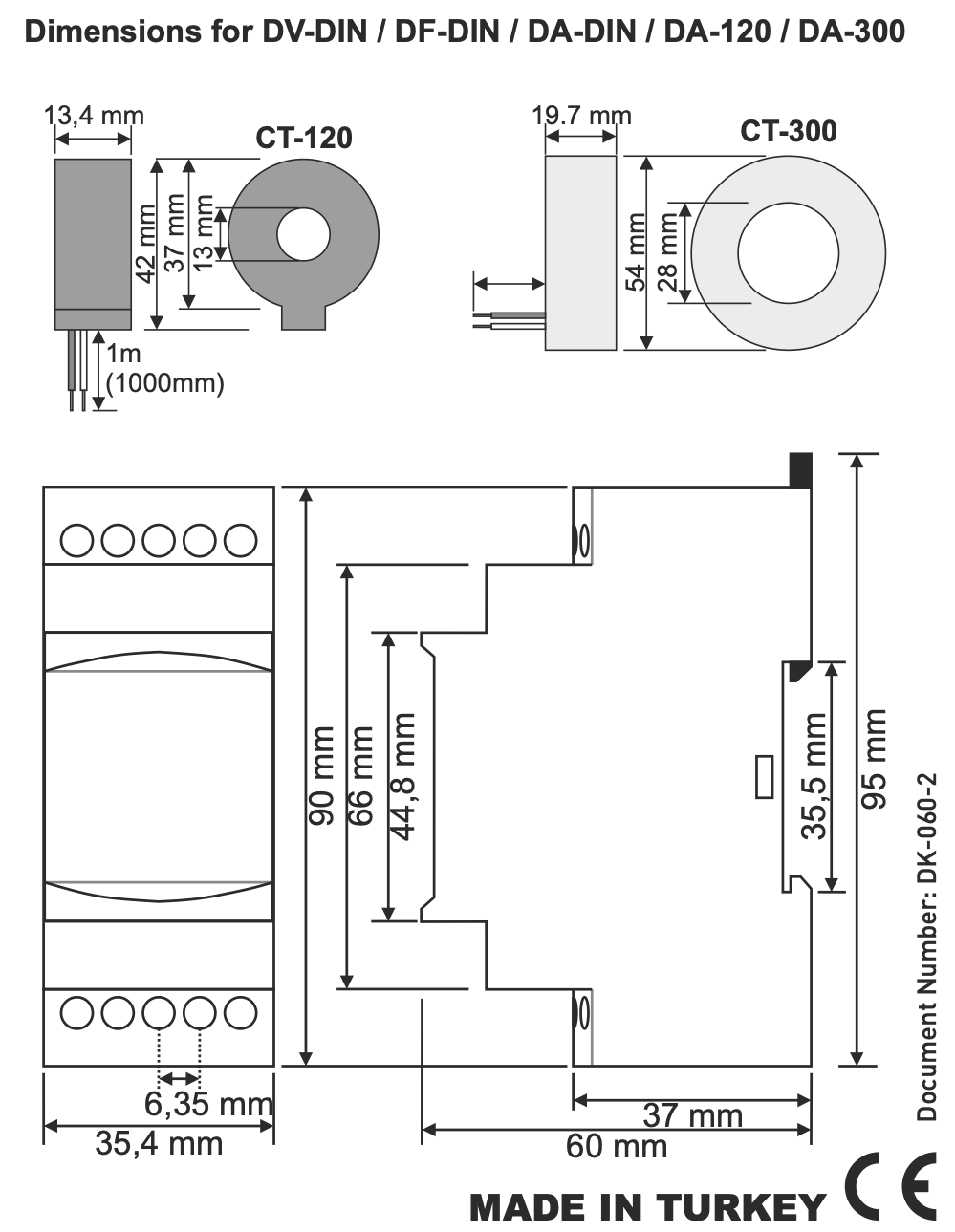
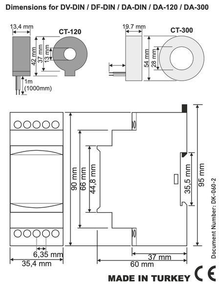
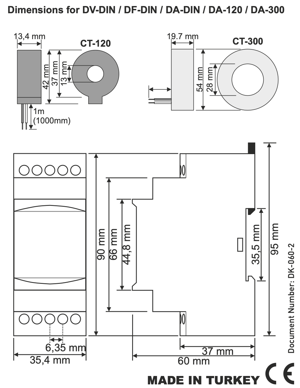
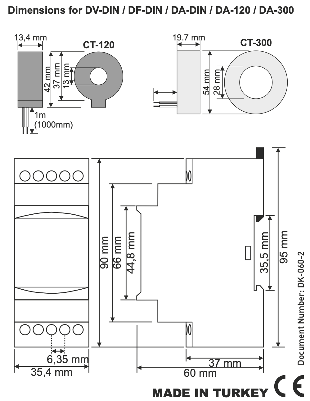
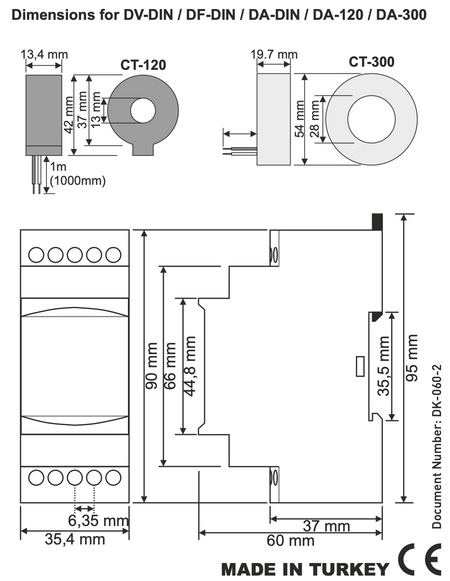
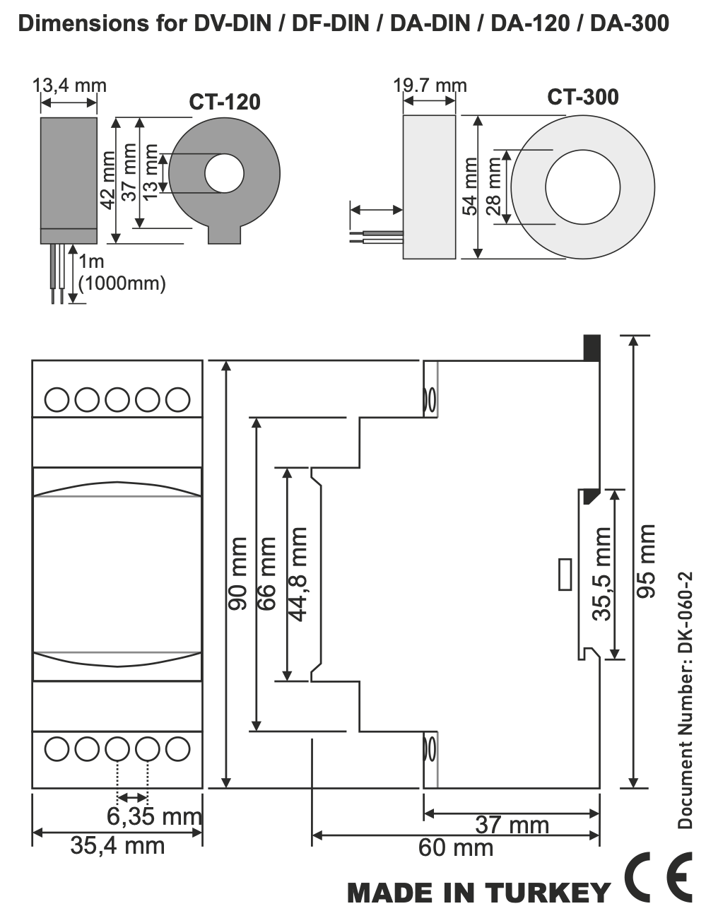
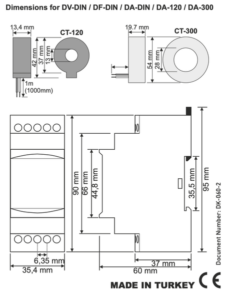
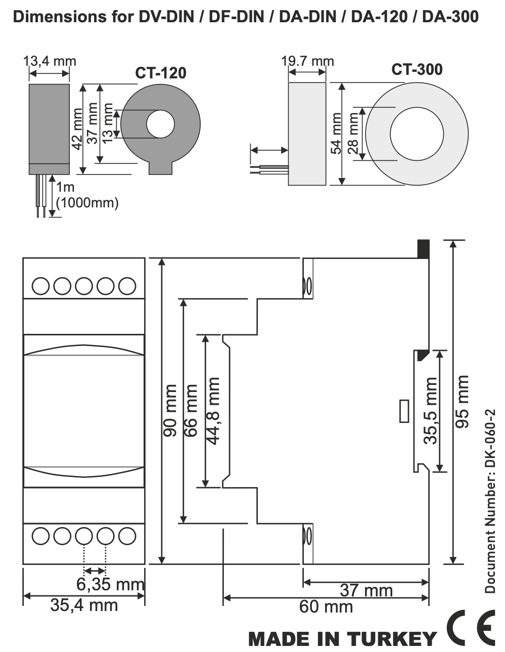
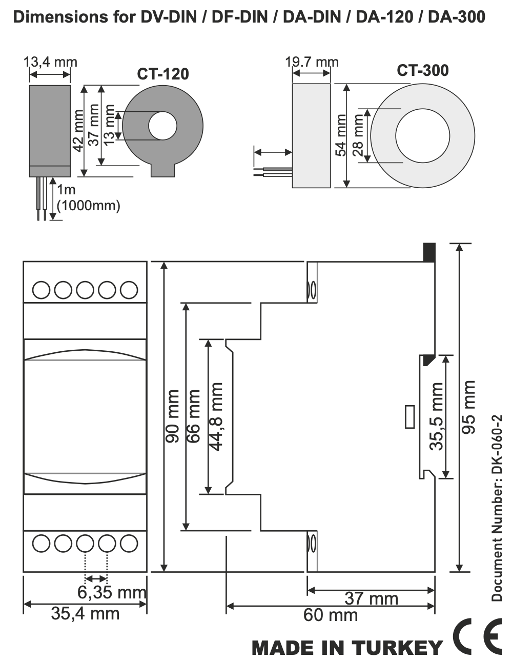
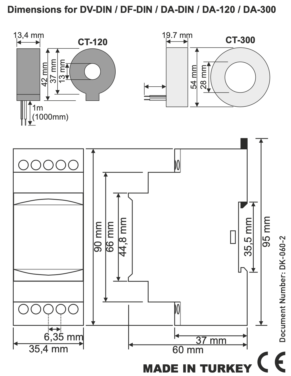
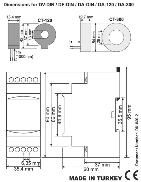
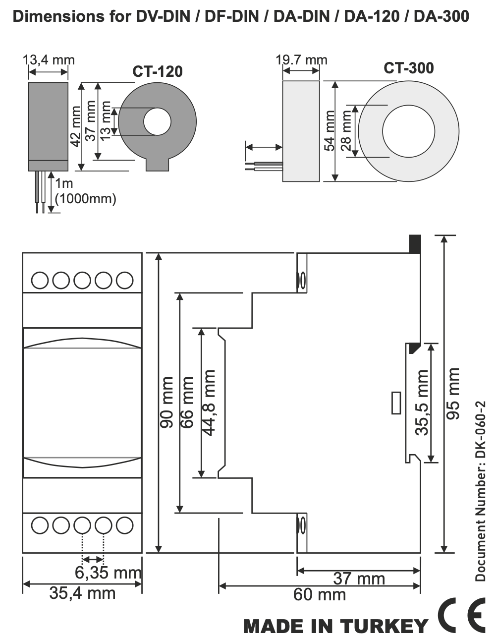
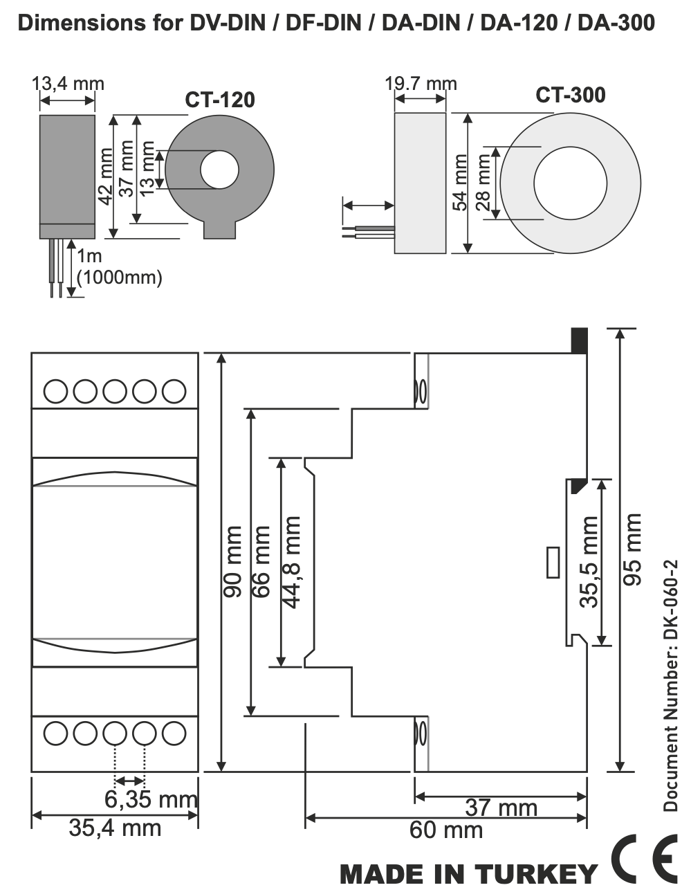
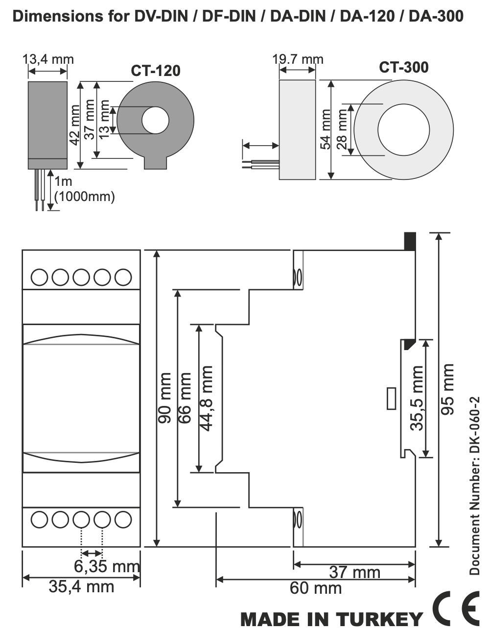
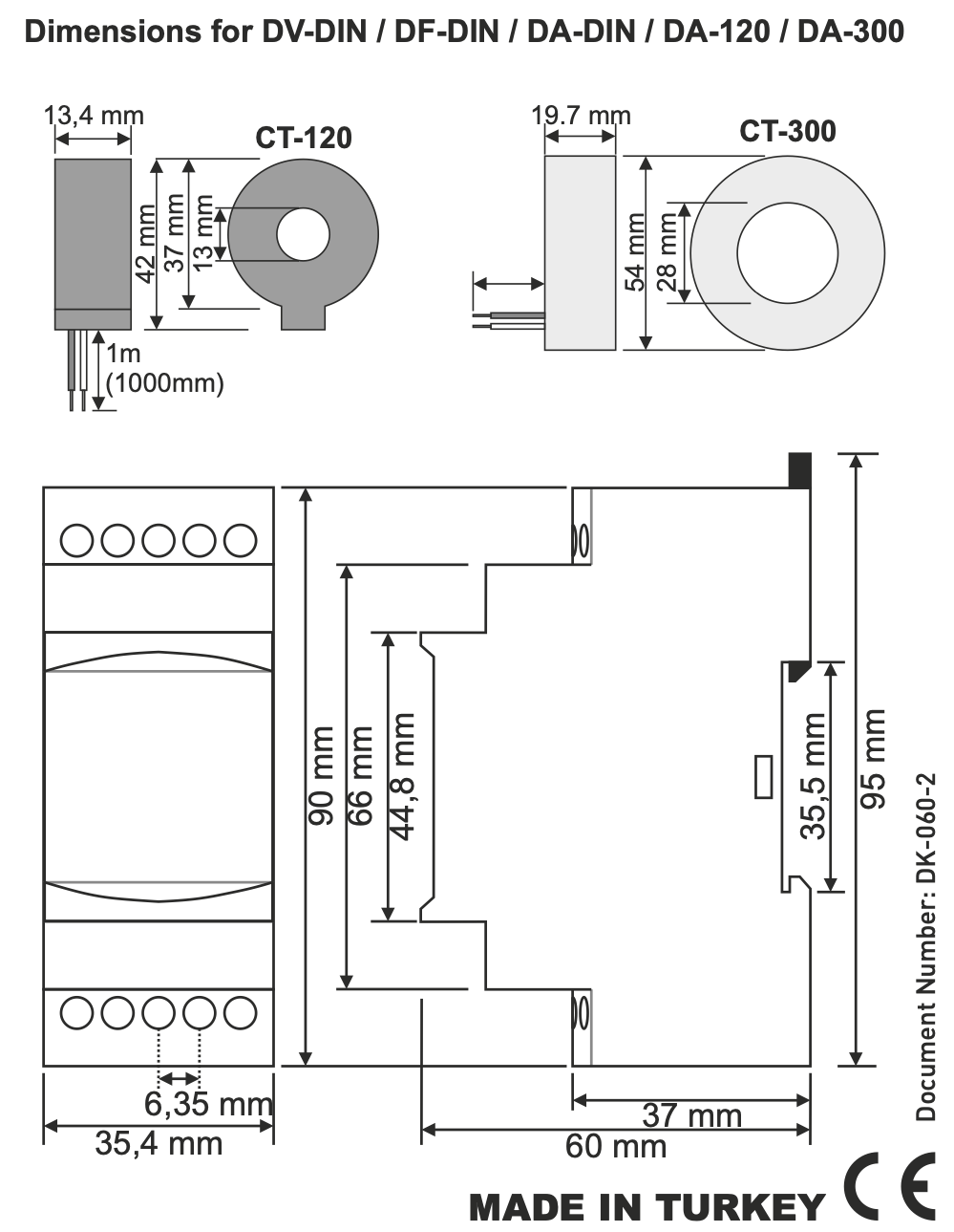
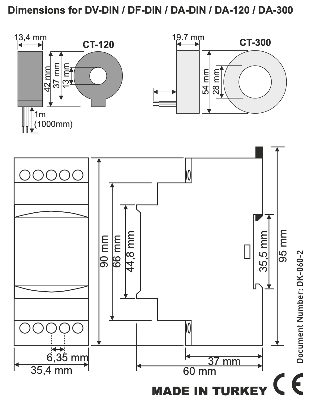
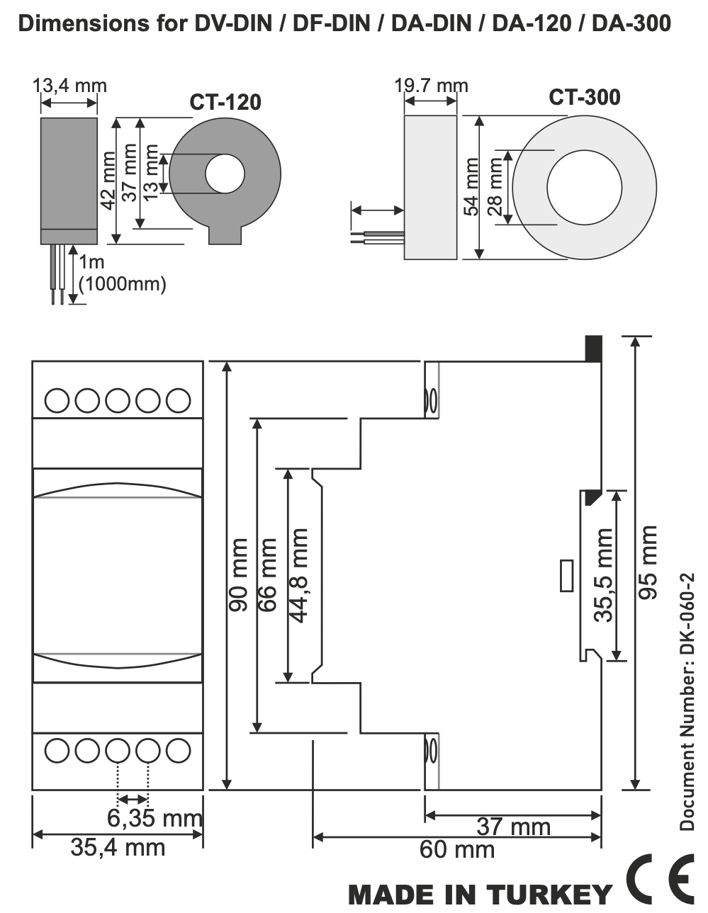
Ampermetar digitalni za AC 100 ili 250 ampera True RMS, neizravno mjerenje, mjerni transformator uključen u isporuku, panelni mjerni uređaji TENSE
Ampermetar se montira na standardnu 35mm DIN šinu
Preuzimanje
Online kartično plaćanje - nakon dovršetka narudžbe bit ćete preusmjereni na pristupnik plaćanja, potvrda plaćanja bit će poslana na vašu e-poštu
COD - uplatu plaćate prema nalogu za plaćanje vozaču prijevoznika
Bankovnom doznakom- najkasnije sljedeći radni dan na Vaš e-mail dobivate predračun na kojem se nalazi broj računa koji ćete unijeti prilikom plaćanja.
Na fakturu - ova opcija plaćanja dostupna je partnerima koji imaju potpisan okvirni ugovor s našom tvrtkom.
Ako želite koristiti zadnja 2 načina, nazovite našeg menadžera i on će vam dati upute kako primiti račun sa ili bez PDV-a.
Elektro oprema koju isporučujemo zadovoljava visoke standarde kvalitete, ima jamstvo od 24 mjeseca i zadovoljava sve EU zahtjeve.
Također imamo besplatnu dostavu (za narudžbe iznad 100 EUR), fleksibilan sustav popusta i promocija. Tehničko znanje i iskustvo naših zaposlenika omogućuje nam kvalitetno savjetovanje i, po potrebi, ponudu alternativa električnim proizvodima.
Električna oprema koju isporučujemo zadovoljava visoke standarde kvalitete, pokrivena je jamstvom od 24 mjeseca i ispunjava sve zahtjeve EU-a.
U slučaju reklamacije povrat robe se ne naplaćuje.
