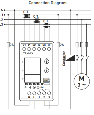
Digitalno nadstrujno rele s 3×3-znamenkastim LED zaslonom TRM-200
Nije uspjelo učitavanje dostupnosti preuzimanja
gpt-5-chat-latestToday at 13:31
Na hrvatski prijevod izgleda ovako:
Načini plaćanja
Online plaćanje karticom – nakon dovršetka narudžbe bit ćete preusmjereni na platnu stranicu, a potvrdu o uplati dobit ćete e‑poštom.
Pouzećem – iznos prema uplatnom nalogu plaćate vozaču dostavne službe.
Transakcijom / bankovnom uplatom – na Vašu e‑poštu najkasnije sljedeći radni dan dobit ćete predračun na kojem se nalazi broj računa koji trebate upisati prilikom plaćanja.
Na račun (fakturu) – ovu opciju plaćanja imaju partneri koji s našom tvrtkom imaju potpisan okvirni ugovor.
Ako biste željeli koristiti zadnja 2 načina plaćanja, nazovite našeg menadžera i on će Vam dati upute kako dobiti račun s PDV‑om ili bez PDV‑a.
Električni uređaji koje isporučujemo zadovoljavaju visoke standarde kvalitete, imaju jamstvo 24 mjeseca i ispunjavaju sve zahtjeve EU.U slučaju reklamacije povrat robe se ne naplaćuje.
