Elektronički brojač impulsa / Brojač impulsa + -
Nije uspjelo učitavanje dostupnosti preuzimanja
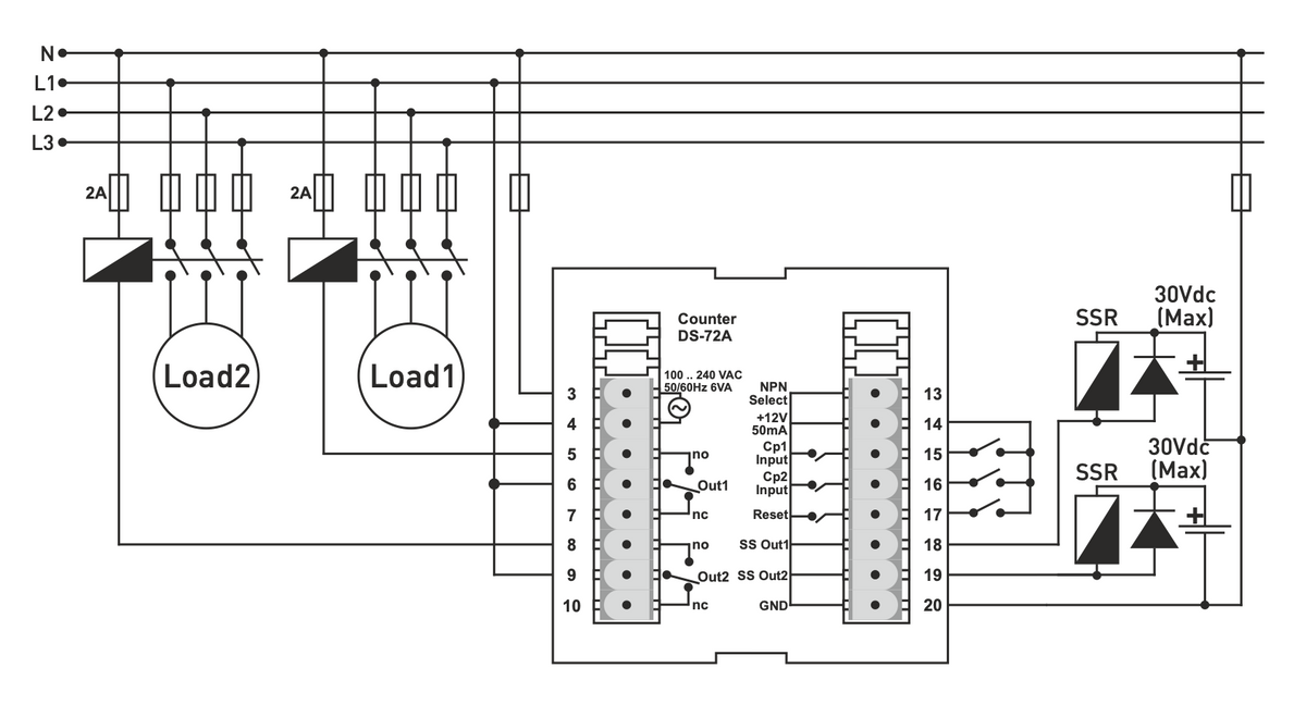
Elektronički brojač impulsa / Brojač impulsa
Releji za brojanje su dizajnirani da izvršavaju niz zadataka ovisno o ulaznim impulsima.
Dvojni kontaktni brojač naprijed/natrag
Prekidač brojeva, senzor približavanja i ulaz inkrementalnog enkodera
Zaštita lozinkom
Opcionalna ulazna frekvencija
Kalibracijska konstanta; 0,00001…..9,99999
Opcionalni decimalni zarez; 1. ….. 5. znamenka
7 mogućnosti funkcije ulaza/10 izlaza
Dodajte „OFFSET“ vrijednosti brojanja
PRESET1: Apsolutna/relativna opcija
OUT: Zadržavanje ili impuls 0,1…..999,9 sekundi
Vrijednost broja opterećenja i stanje OUT pri posljednjem prekidu napajanja nakon prvog uključenja
RESET preko prednjeg panela
EEPROM memorija za pohranu postavki
gpt-5-chat-latestToday at 13:31
Na hrvatski prijevod izgleda ovako:
Načini plaćanja
Online plaćanje karticom – nakon dovršetka narudžbe bit ćete preusmjereni na platnu stranicu, a potvrdu o uplati dobit ćete e‑poštom.
Pouzećem – iznos prema uplatnom nalogu plaćate vozaču dostavne službe.
Transakcijom / bankovnom uplatom – na Vašu e‑poštu najkasnije sljedeći radni dan dobit ćete predračun na kojem se nalazi broj računa koji trebate upisati prilikom plaćanja.
Na račun (fakturu) – ovu opciju plaćanja imaju partneri koji s našom tvrtkom imaju potpisan okvirni ugovor.
Ako biste željeli koristiti zadnja 2 načina plaćanja, nazovite našeg menadžera i on će Vam dati upute kako dobiti račun s PDV‑om ili bez PDV‑a.
Električni uređaji koje isporučujemo zadovoljavaju visoke standarde kvalitete, imaju jamstvo 24 mjeseca i ispunjavaju sve zahtjeve EU.U slučaju reklamacije povrat robe se ne naplaćuje.
