
Obavijest e‑poštom kada ovaj proizvod postane dostupan
Prednaruči proizvod
- Opis
- Upute
- Načini plaćanja
- Jamstvo
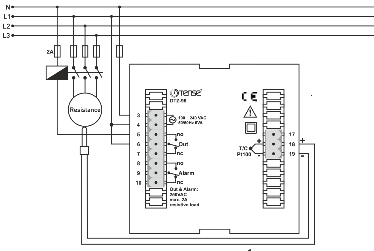
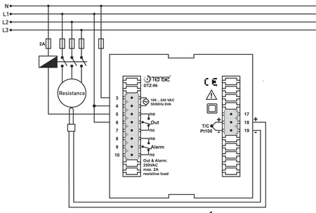
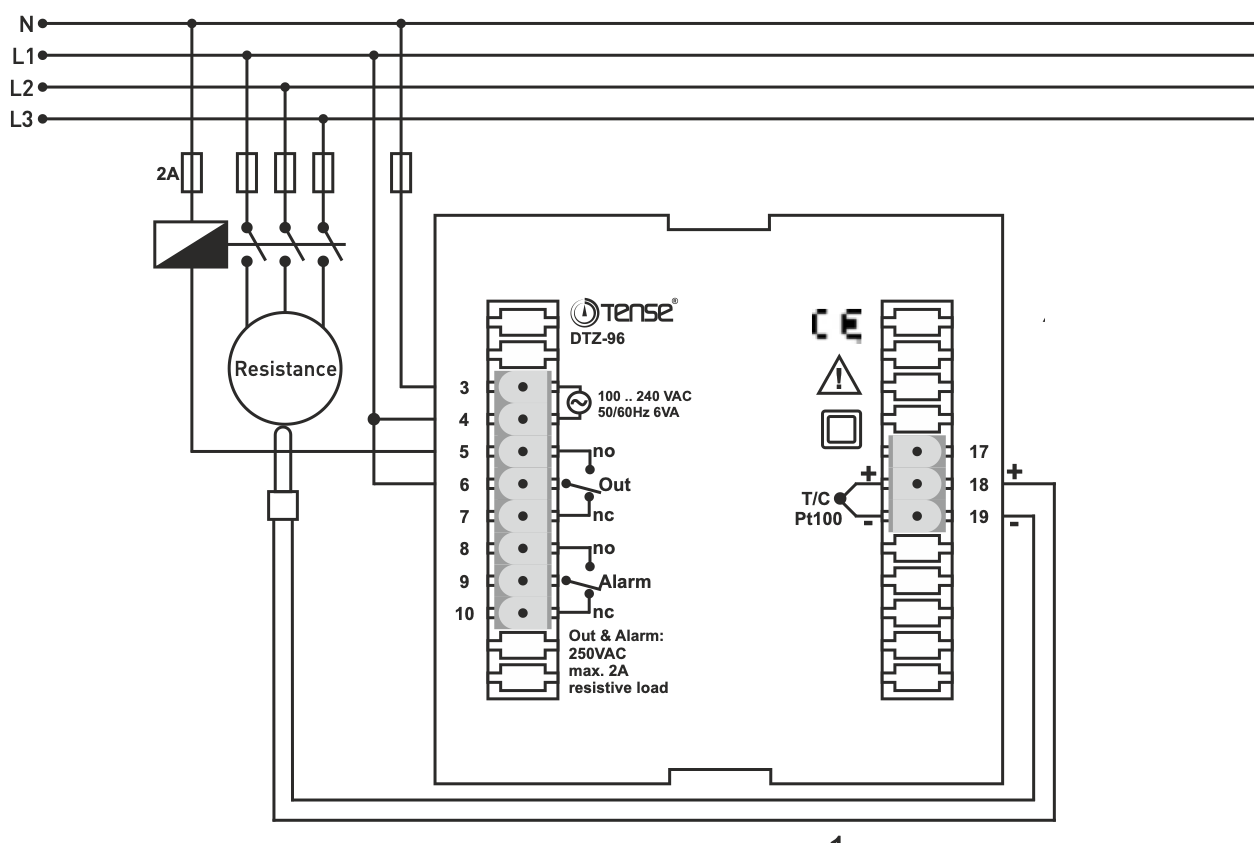
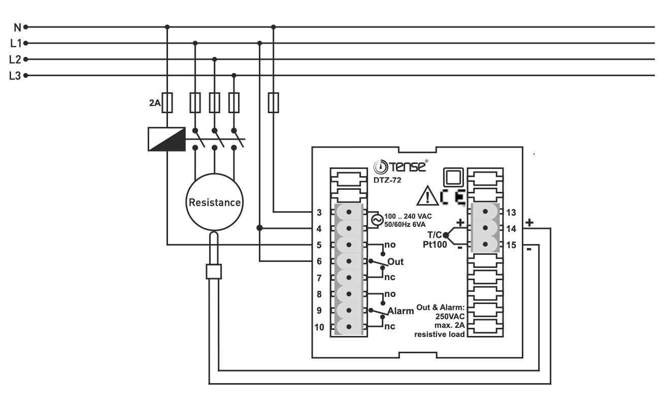
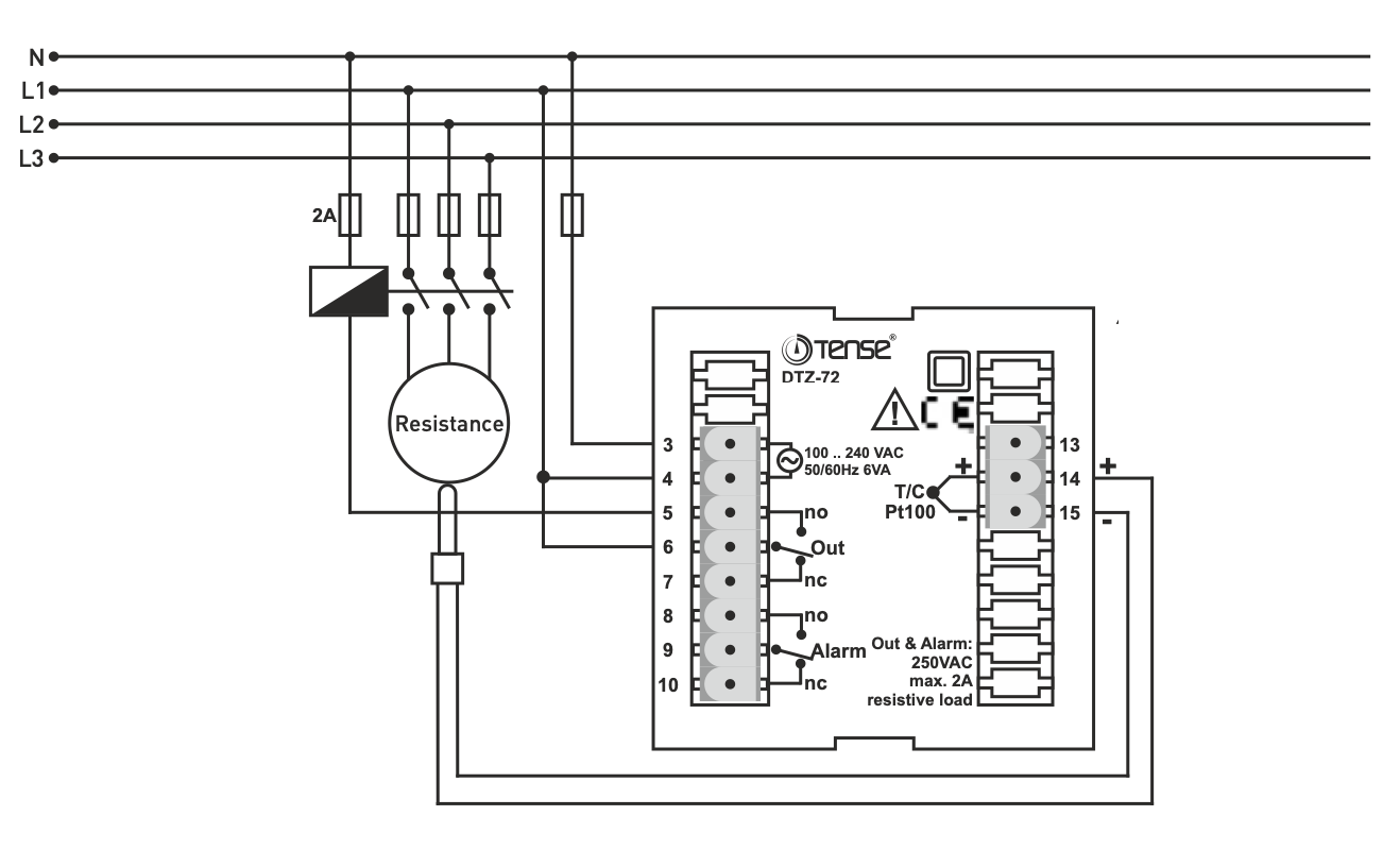
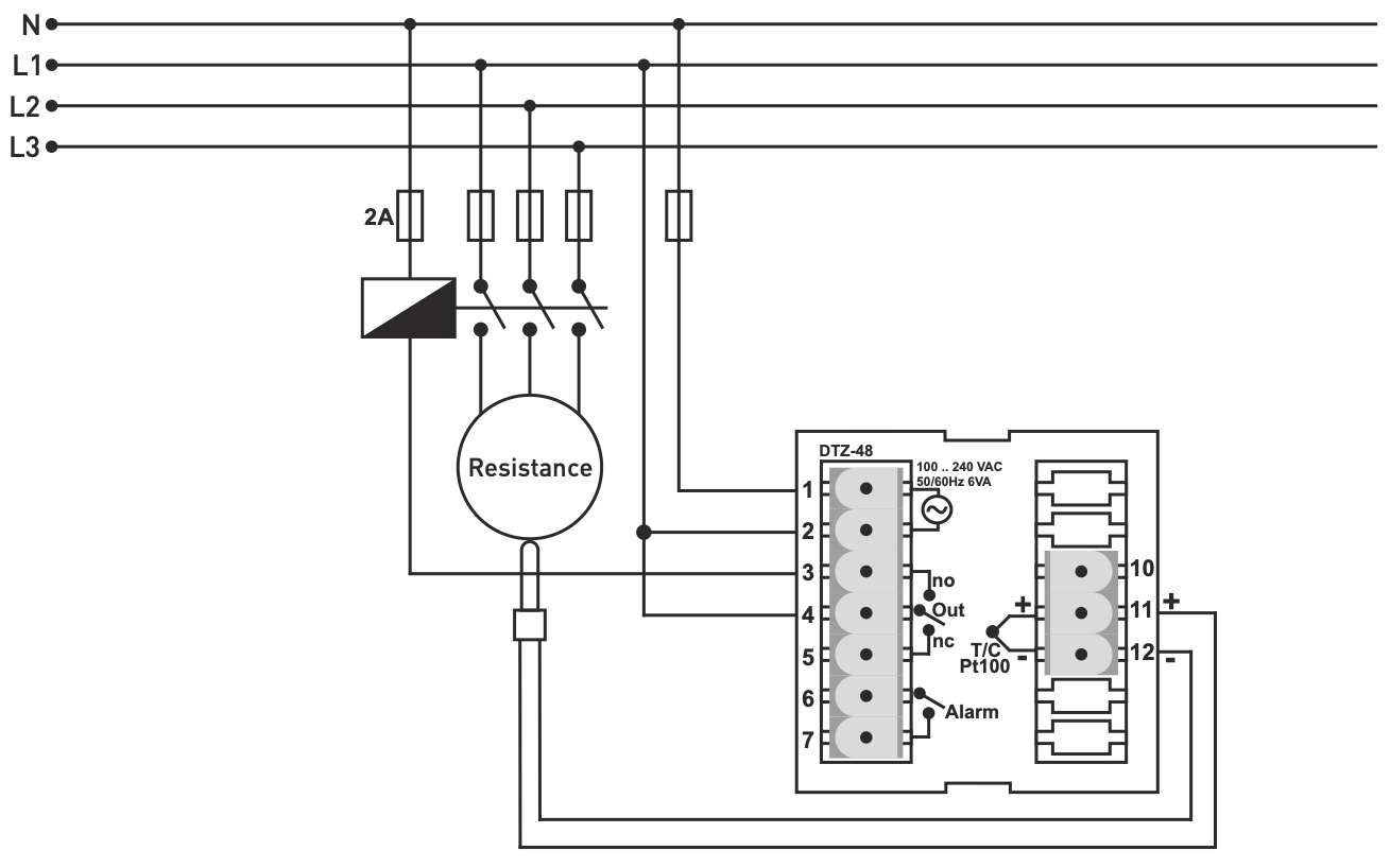
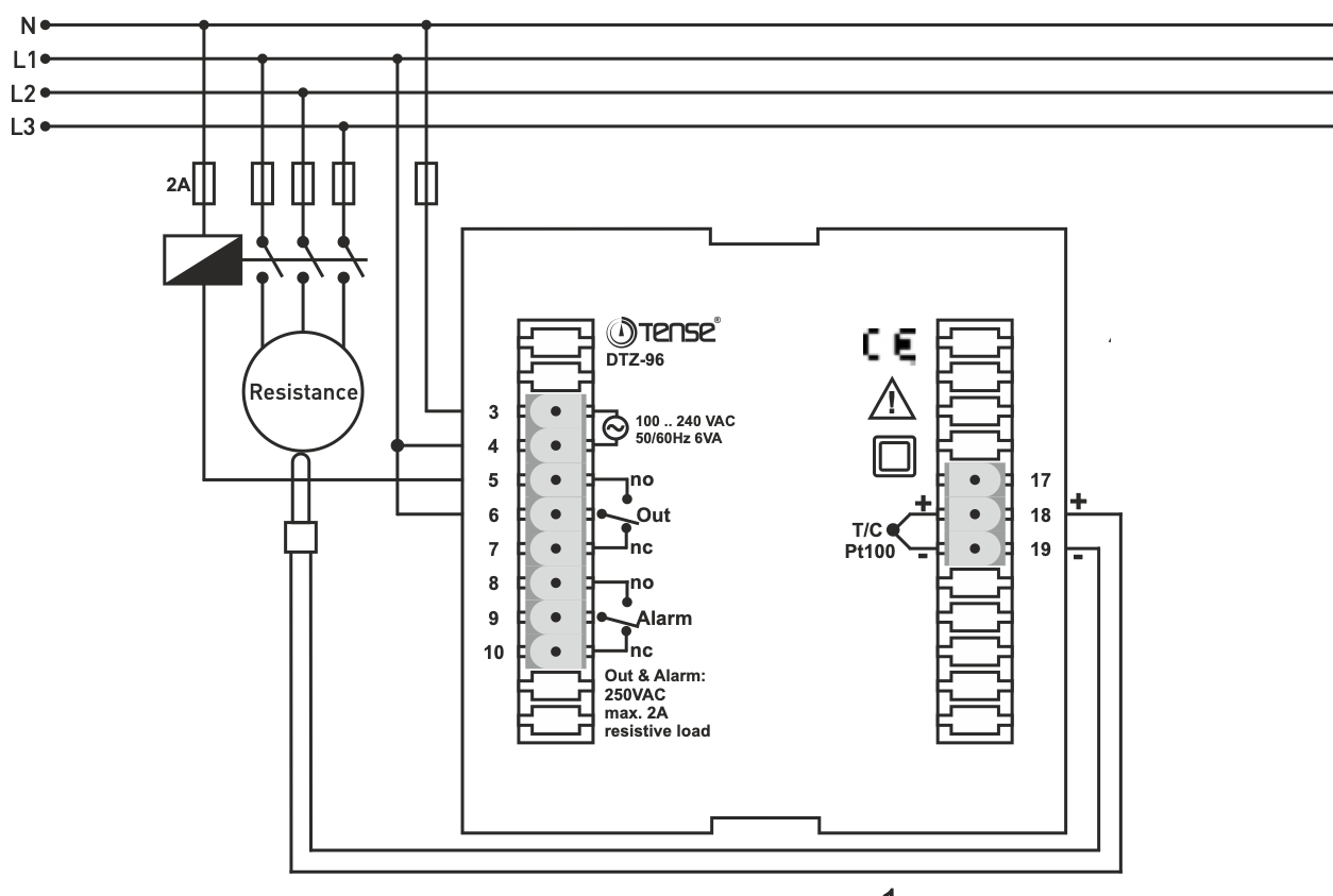
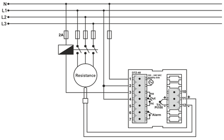
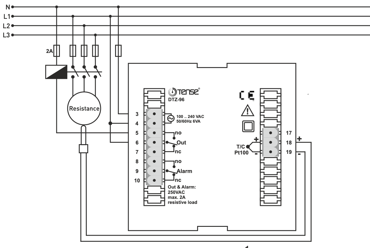
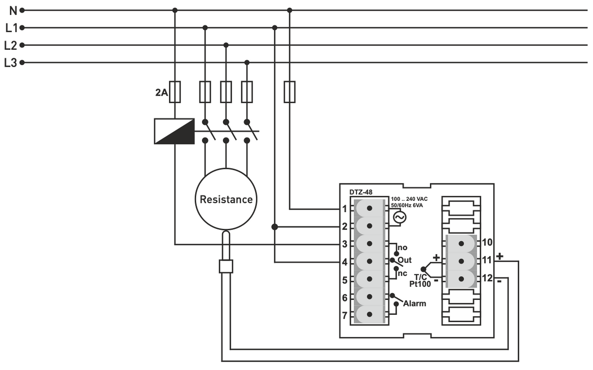
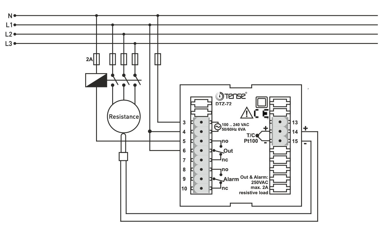
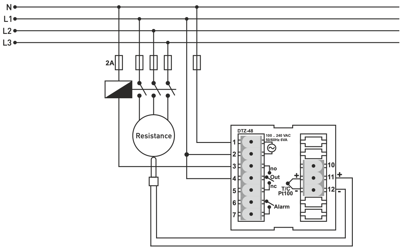
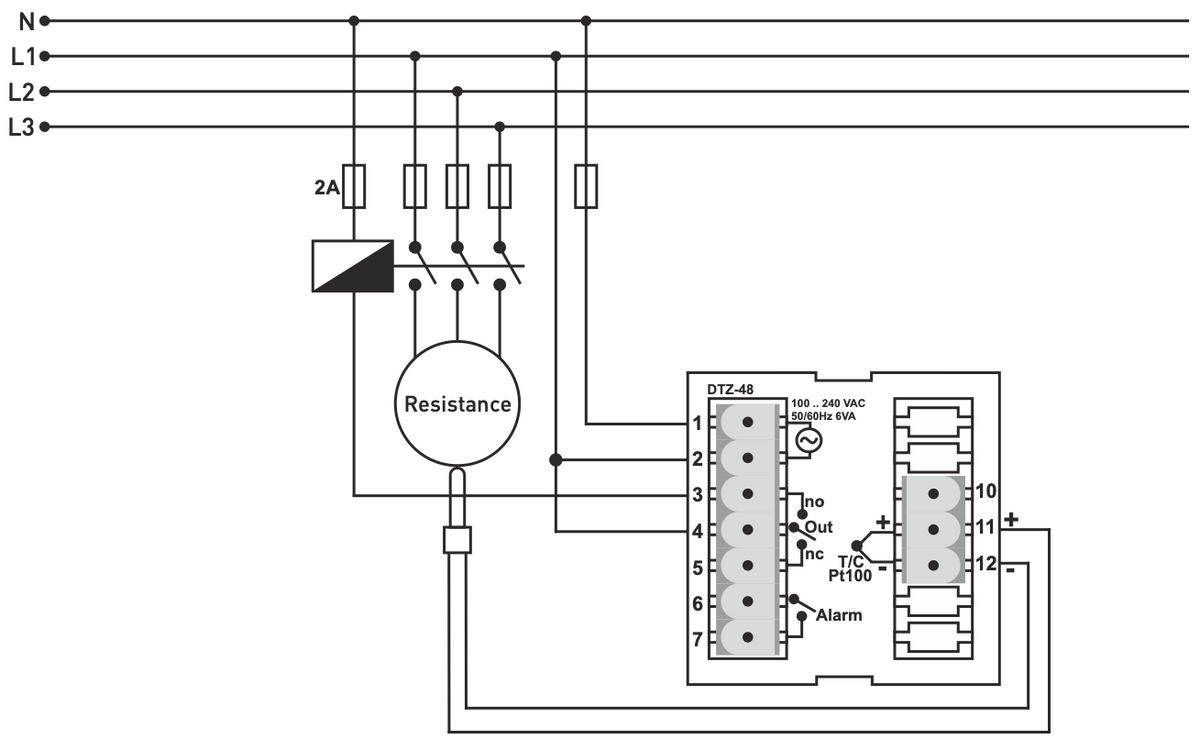
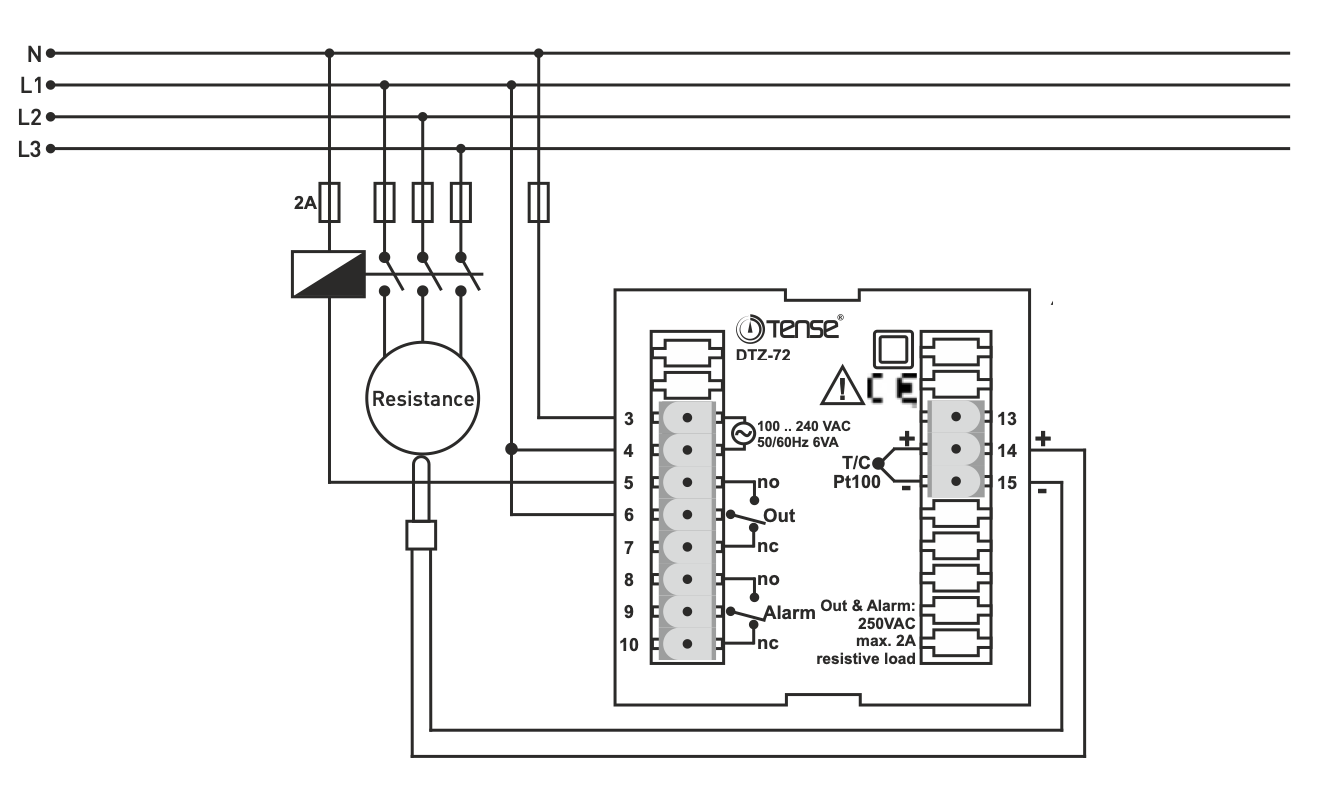
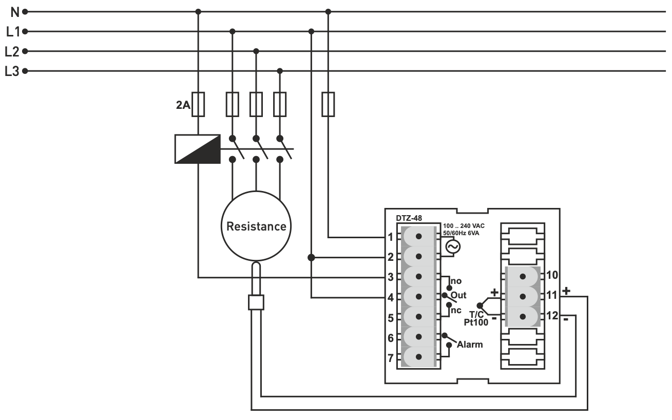
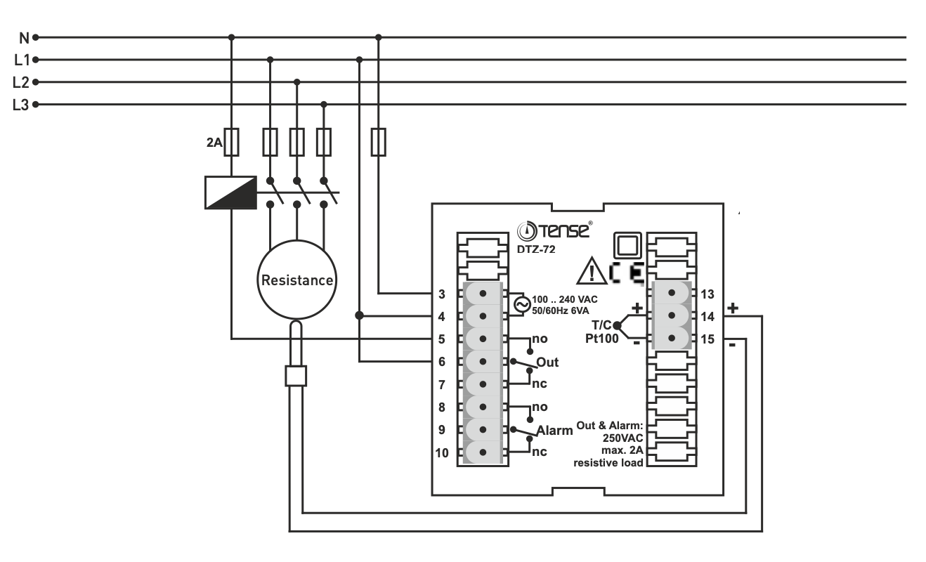
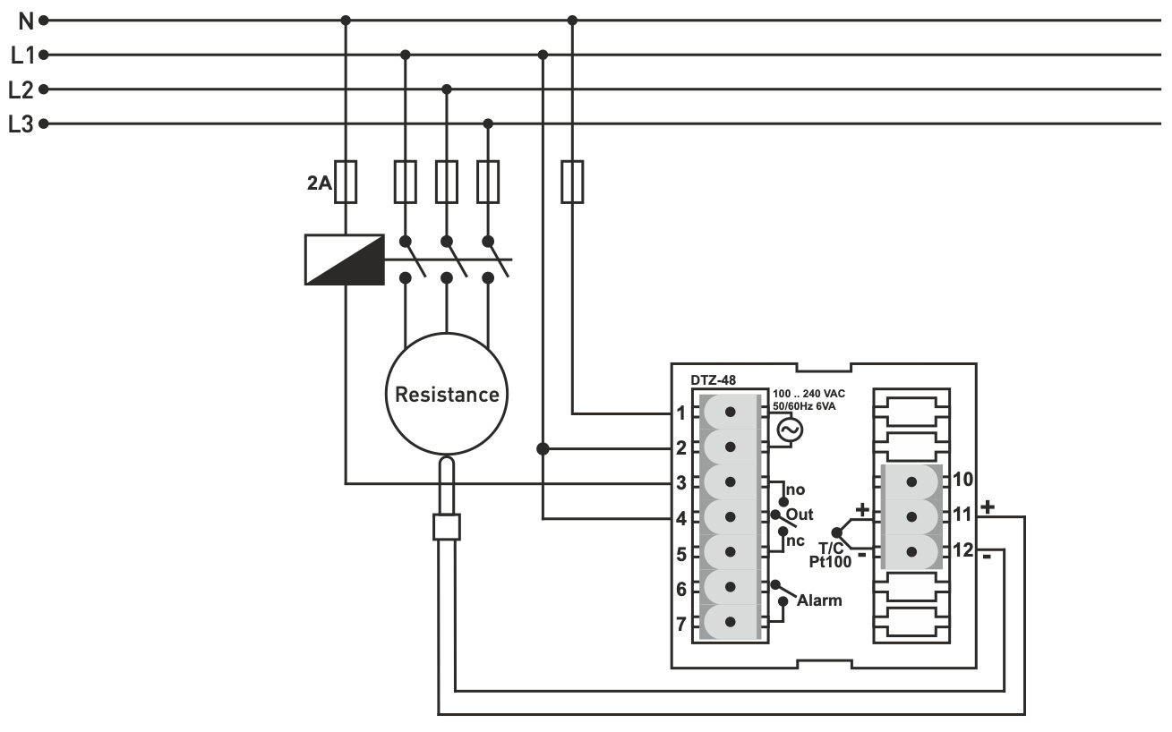
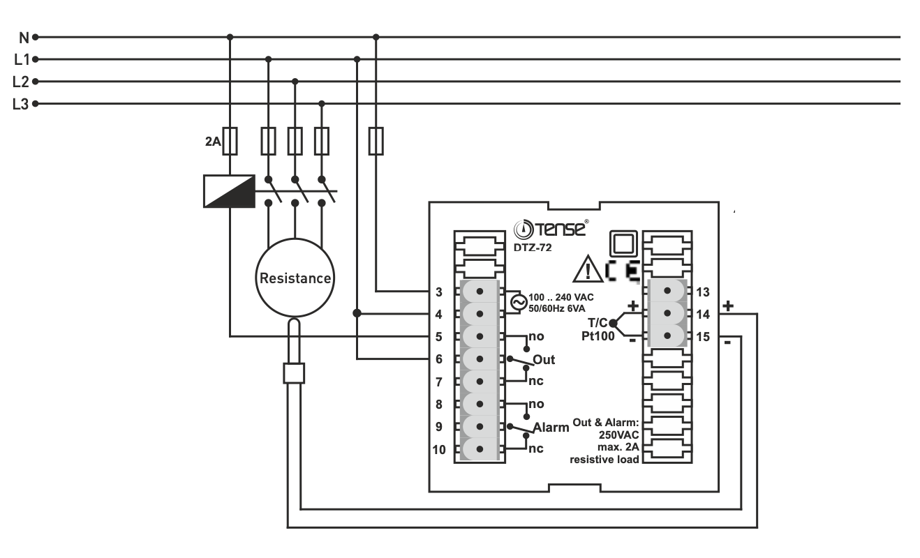
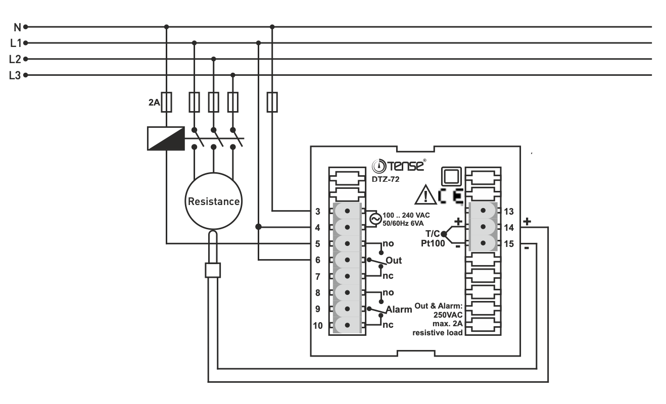
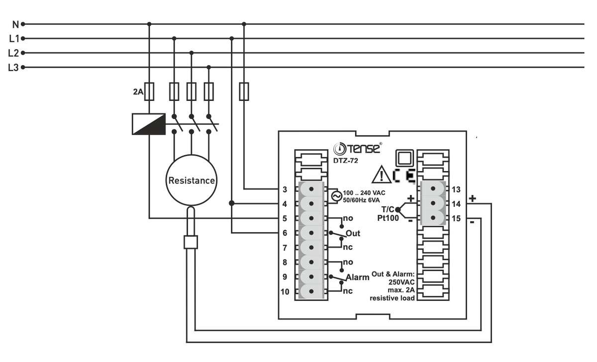
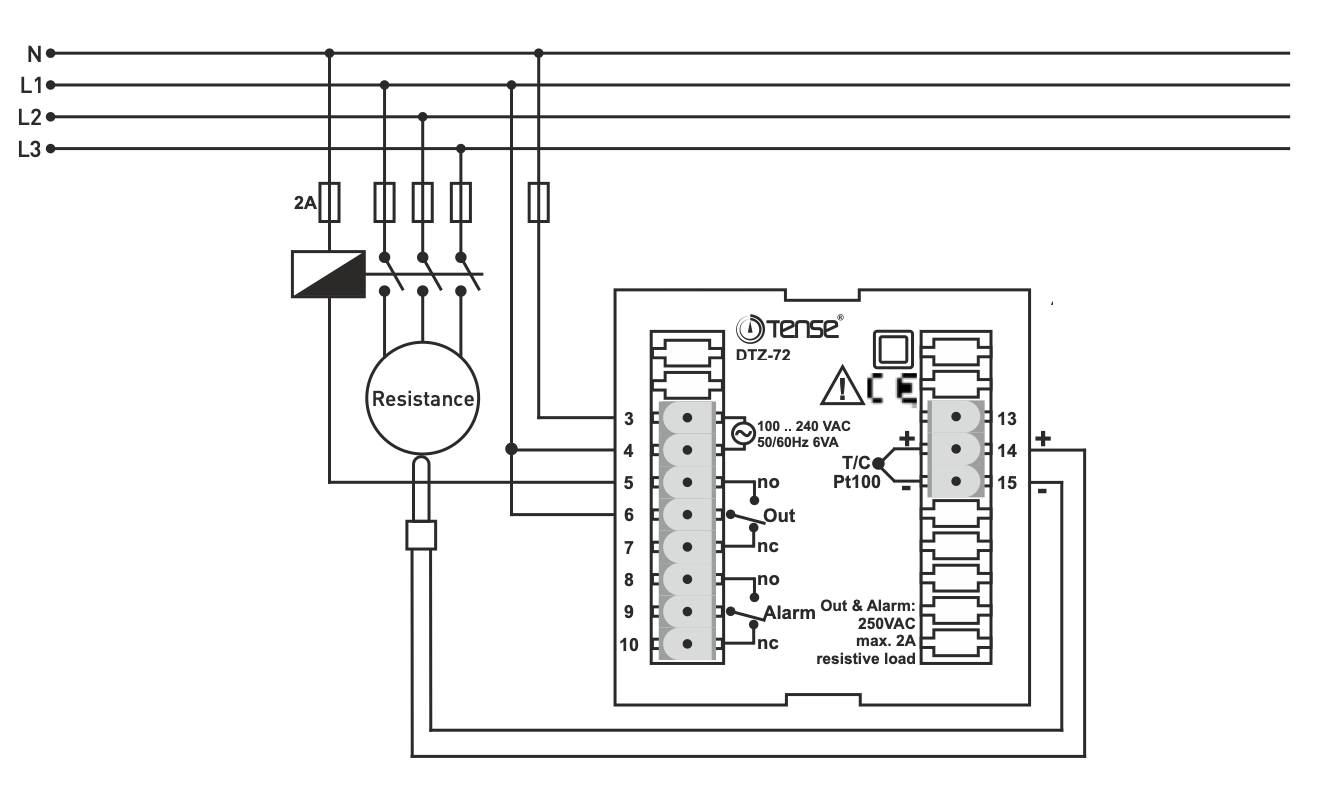
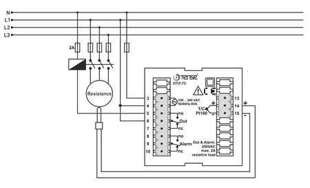
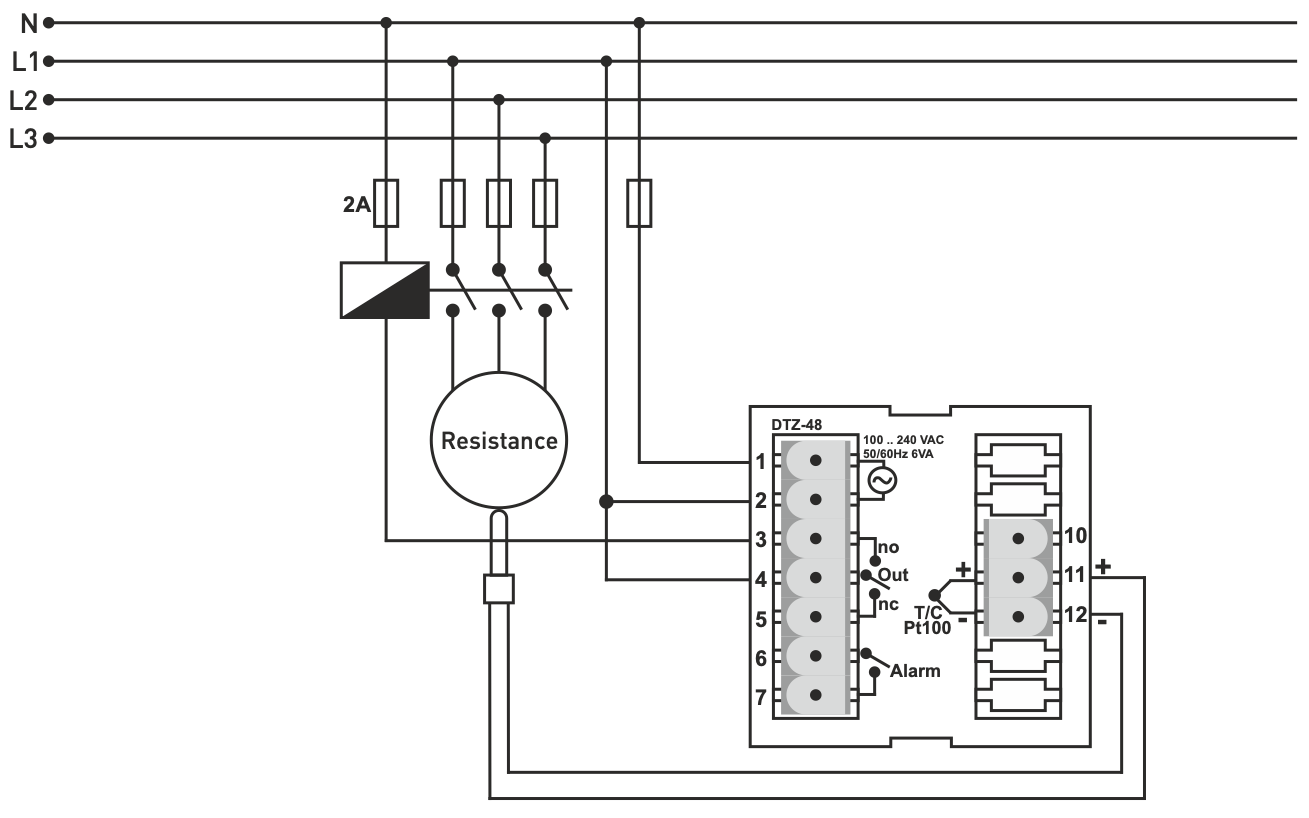
PID regulator temperature za montažu u panel s ugrađenim tajmerom, raspon mjerenja -100°C ... +1750°C, razlučivost / korak 0,1ºC (proizvedeno u Turskoj, TENSE)
Regulacija i nadzor termičkih procesa grijanja, klimatizacije i ventilacijskih sustava, automatizacija zgrada, industrijskih pogona.
Regulacija temperature provodi se pomoću uključeno/isključeno ili PID regulacije. Regulator nudi samooptimizaciju koja sprječava prekoračenje procesne vrijednosti.
Automatsko ugađanje PID parametara
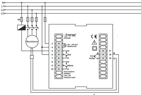
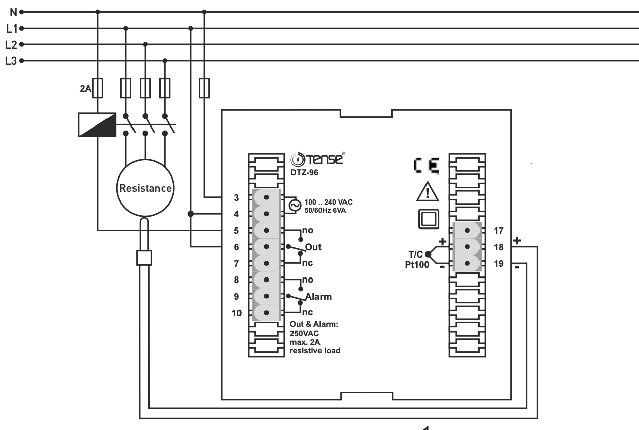
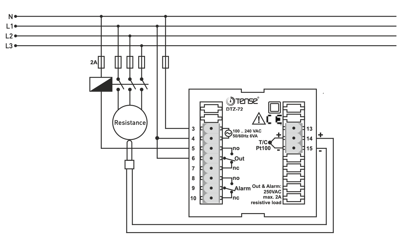
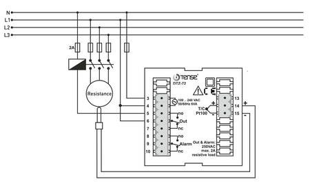
- Tip senzora: T/C (J,K,T,S,R), Pt100
- Opcijski tip upravljanja: P, PI, PD, PID ili ON-OFF
Automatsko uklanjanje „prekoračenja“ u PID načinu
- Anti-windup
Odgoda uključivanja za OUT u načinu hlađenja
Zaštita lozinkom
EEPROM memorija za pohranu postavki
Izlazi releja OUT i ALARM (NO+NC) 250VAC, 2A (ALARM samo ON za DTZ-48)
Raspon mjerenja ovisi o senzoru i može se podesiti pomoću tipki na regulatoru temperature.
Zaslon regulatora temperature je visokokontrastni zaslon koji se može precizno očitati čak i u lošim uvjetima. Regulator temperature, osim upravljačkog izlaza, ima dodatni alarmni relej koji pri prekoračenju ili nedostizanju vrijednosti zatvara beznaponski kontakt.
Molimo Vas da naručite naše temperaturne senzore - termopar tipa J Fe-Const (metrički 6/8) s opsegom mjerenja temperature: -100 °C – +600 °C. Može biti s kabelom duljine 1 m, 1,5 m, 2 m, 2,5 m, 3 m, 4 m i 5 metara
Preuzimanje na
Online kartično plaćanje - nakon dovršetka narudžbe bit ćete preusmjereni na pristupnik plaćanja, potvrda plaćanja bit će poslana na vašu e-poštu
COD - uplatu plaćate prema nalogu za plaćanje vozaču prijevoznika
Bankovnom doznakom- najkasnije sljedeći radni dan na Vaš e-mail dobivate predračun na kojem se nalazi broj računa koji ćete unijeti prilikom plaćanja.
Na fakturu - ova opcija plaćanja dostupna je partnerima koji imaju potpisan okvirni ugovor s našom tvrtkom.
Ako želite koristiti zadnja 2 načina, nazovite našeg menadžera i on će vam dati upute kako primiti račun sa ili bez PDV-a.
Elektro oprema koju isporučujemo zadovoljava visoke standarde kvalitete, ima jamstvo od 24 mjeseca i zadovoljava sve EU zahtjeve.
Također imamo besplatnu dostavu (za narudžbe iznad 100 EUR), fleksibilan sustav popusta i promocija. Tehničko znanje i iskustvo naših zaposlenika omogućuje nam kvalitetno savjetovanje i, po potrebi, ponudu alternativa električnim proizvodima.
Električna oprema koju isporučujemo zadovoljava visoke standarde kvalitete, pokrivena je jamstvom od 24 mjeseca i ispunjava sve zahtjeve EU-a.
U slučaju reklamacije povrat robe se ne naplaćuje.

