
Obavijest e‑poštom kada ovaj proizvod postane dostupan
Prednaruči proizvod
- Opis
- Upute
- Načini plaćanja
- Jamstvo
3-fazni analizator parametara mreže / Network analyzer / Network analyzer - višenamjenski digitalni panelni mjerač, pokazivač struje, napona, frekvencije i ukupne snage, s relejnim izlazom, RS485 ModBus RTU - TPM-04SHDL proizvođača TENSE (Turska) panelni mjerači.
Analizatori snage su namijenjeni mjerenju i praćenju električnih veličina. Zahvaljujući komunikacijskoj funkciji moguće je neovisno pratiti i izvještavati izmjerene vrijednosti energije. Pomoću analizatora energije moguće je provoditi analize, kao što su kvaliteta energije, učinkovitost i izračun jediničnih troškova.
Glavne prednosti: U slučaju da se radi o potrošnji energije, moguće je koristiti tzv.:
- RS485 Modbus RTU (1200-19200b/s)
- Trofazni transformator napona i trofazni transformator struje.
-
Prikazuje harmoničke sastavnice napona i struje do 31. harmonike.
-
Prikazuje aktivnu snagu po fazi (P)
-
Prikazuje jalovu snagu po fazi (Q, induktivna i kapacitivna)
-
Prikazuje prividne snage po fazi (S)
-
Prikazuje vrijednosti Cosφ i faktora snage svake faze.
-
Prikazuje vrijednosti napona (V) i struje (I) između faza i neutralnih vodova te mjeri frekvenciju.
-
Prikazuje ukupne vrijednosti uvoza i izvoza aktivne energije (ΣkWh)
-
Prikazuje ukupne vrijednosti induktivne i kapacitivne jalove energije (ΣkVArh).
-
Prikazuje minimalne i maksimalne vrijednosti, maksimalnu potrebu
-
2 relejna izlaza, 1 digitalni ulaz
-
Zapisnici događaja (visoki/niski napon/struja, nesimetrija napona/struje, THD-I)
-
Meni je zaštićen lozinkom.
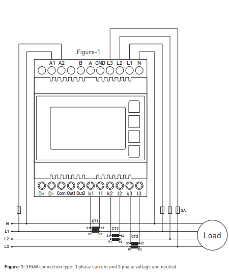
Obično se ovaj mrežni analizator koristi s mjernim transformatorima struje - 60/5 75/5 100/5 150/5 200/5 250/5 300/5 400/5 500/5 600/5 800/5 1000/5 1500/5 ili sličnima. Ako planirate povezati analizator na ModBus sabirnicu, poslat ćemo vam na zahtjev "Registračnu tablicu" s ModBus adresama.
Online kartično plaćanje - nakon dovršetka narudžbe bit ćete preusmjereni na pristupnik plaćanja, potvrda plaćanja bit će poslana na vašu e-poštu
COD - uplatu plaćate prema nalogu za plaćanje vozaču prijevoznika
Bankovnom doznakom- najkasnije sljedeći radni dan na Vaš e-mail dobivate predračun na kojem se nalazi broj računa koji ćete unijeti prilikom plaćanja.
Na fakturu - ova opcija plaćanja dostupna je partnerima koji imaju potpisan okvirni ugovor s našom tvrtkom.
Ako želite koristiti zadnja 2 načina, nazovite našeg menadžera i on će vam dati upute kako primiti račun sa ili bez PDV-a.
Elektro oprema koju isporučujemo zadovoljava visoke standarde kvalitete, ima jamstvo od 24 mjeseca i zadovoljava sve EU zahtjeve.
Također imamo besplatnu dostavu (za narudžbe iznad 100 EUR), fleksibilan sustav popusta i promocija. Tehničko znanje i iskustvo naših zaposlenika omogućuje nam kvalitetno savjetovanje i, po potrebi, ponudu alternativa električnim proizvodima.
Električna oprema koju isporučujemo zadovoljava visoke standarde kvalitete, pokrivena je jamstvom od 24 mjeseca i ispunjava sve zahtjeve EU-a.
U slučaju reklamacije povrat robe se ne naplaćuje.
