Regulator temperature za montažu u panel ON-OFF/Proporcionalni , do 400ºC
Nije uspjelo učitavanje dostupnosti preuzimanja
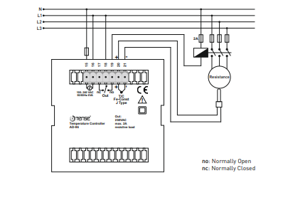
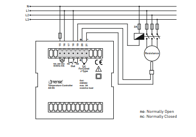
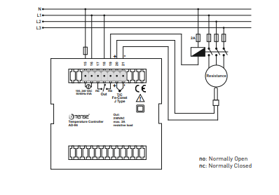
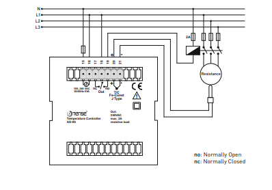
Termostat/ 2-točkovni regulator temperature za montažu u panel ON/OFF UKLJUČENO/ISKLJUČENO ili proporcionalni način upravljanja, mjerni raspon 0°C ... +400°C, razlučivost / korak 1ºC (proizvedeno u Turskoj, TENSE)
Regulacija i nadzor termičkih procesa grijanja, klima i ventilacijskih sustava, automatizacija zgrada, industrijskih postrojenja.
Tip senzora: tip J, Fe-Const, T/C
Relijski izlazi OUT (NO+NC) 250VAC, 2A
- Histereza
EEPROM memorija za pohranu postavki
Molimo ne zaboravite naručiti naše temperaturne sonde - termočlanak tipa J Fe-Const (metrički 6/8) s rasponom mjerenja temperature: -100 °C – +600 °C. Može biti s kabelom 1 m, 1,5 m, 2 m, 2,5 m, 3 m, 4 m i 5 metara dlouhý
gpt-5-chat-latestToday at 13:31
Na hrvatski prijevod izgleda ovako:
Načini plaćanja
Online plaćanje karticom – nakon dovršetka narudžbe bit ćete preusmjereni na platnu stranicu, a potvrdu o uplati dobit ćete e‑poštom.
Pouzećem – iznos prema uplatnom nalogu plaćate vozaču dostavne službe.
Transakcijom / bankovnom uplatom – na Vašu e‑poštu najkasnije sljedeći radni dan dobit ćete predračun na kojem se nalazi broj računa koji trebate upisati prilikom plaćanja.
Na račun (fakturu) – ovu opciju plaćanja imaju partneri koji s našom tvrtkom imaju potpisan okvirni ugovor.
Ako biste željeli koristiti zadnja 2 načina plaćanja, nazovite našeg menadžera i on će Vam dati upute kako dobiti račun s PDV‑om ili bez PDV‑a.
Električni uređaji koje isporučujemo zadovoljavaju visoke standarde kvalitete, imaju jamstvo 24 mjeseca i ispunjavaju sve zahtjeve EU.U slučaju reklamacije povrat robe se ne naplaćuje.
