Regulator termostat temperature za montažu u ploču ON - OFF s vanjskim senzorom
Nije uspjelo učitavanje dostupnosti preuzimanja
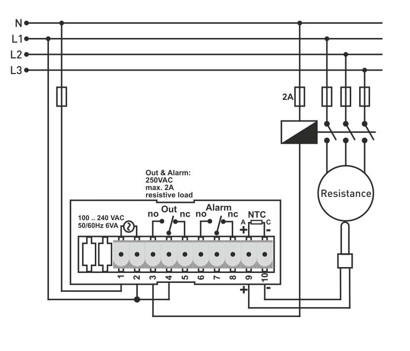
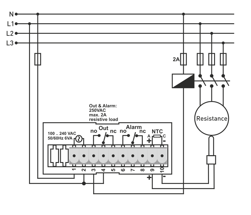
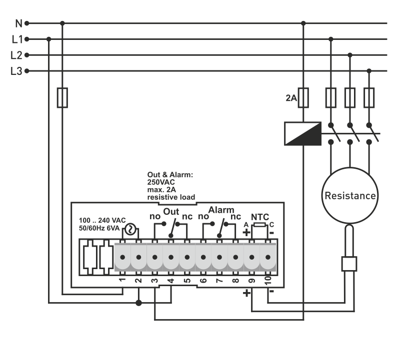
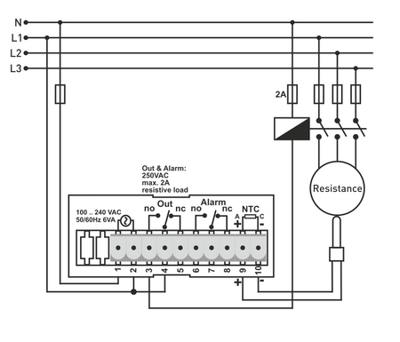
Termostat / dvotočkovni regulator temperature za montažu u ploču UKL/ISKL / ON-OFF način upravljanja, mjerni raspon -19.9 °C – +99.9 °C, razlučivost / korak 0,1ºC (proizvedeno u Turskoj, TENSE) DT-322
Regulacija i nadzor toplinskih procesa grijanja, klimatizacije i ventilacijskih sustava, automatizacija zgrada, industrijskih pogona.
Tip senzora: NTC
Izlazi releja OUT i ALARM (NO+NC) 250VAC, 2A
Opcionalna funkcija grijanja i hlađenja
- Histereza
Podesivi tajmeri ON/OFF za izlaz OUT u slučaju kvara senzora
- Zaštita od kratkog cikliranja zahvaljujući podesivim vremenima isključenja
Gornja i donja granica za podešavanje SET i ALARM
Podesiva odvojena histereza za podešavanja SET i ALARM
Kašnjenje uključenja za OUT u režimu hlađenja
EEPROM memorija za spremanje postavki
Zaštita lozinkom
Visoka preciznost
gpt-5-chat-latestToday at 13:31
Na hrvatski prijevod izgleda ovako:
Načini plaćanja
Online plaćanje karticom – nakon dovršetka narudžbe bit ćete preusmjereni na platnu stranicu, a potvrdu o uplati dobit ćete e‑poštom.
Pouzećem – iznos prema uplatnom nalogu plaćate vozaču dostavne službe.
Transakcijom / bankovnom uplatom – na Vašu e‑poštu najkasnije sljedeći radni dan dobit ćete predračun na kojem se nalazi broj računa koji trebate upisati prilikom plaćanja.
Na račun (fakturu) – ovu opciju plaćanja imaju partneri koji s našom tvrtkom imaju potpisan okvirni ugovor.
Ako biste željeli koristiti zadnja 2 načina plaćanja, nazovite našeg menadžera i on će Vam dati upute kako dobiti račun s PDV‑om ili bez PDV‑a.
Električni uređaji koje isporučujemo zadovoljavaju visoke standarde kvalitete, imaju jamstvo 24 mjeseca i ispunjavaju sve zahtjeve EU.U slučaju reklamacije povrat robe se ne naplaćuje.
