
Obavijest e‑poštom kada ovaj proizvod postane dostupan
Prednaruči proizvod
- Opis
- Upute
- Načini plaćanja
- Jamstvo
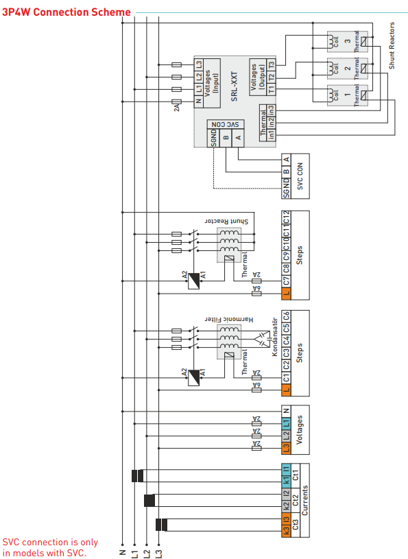
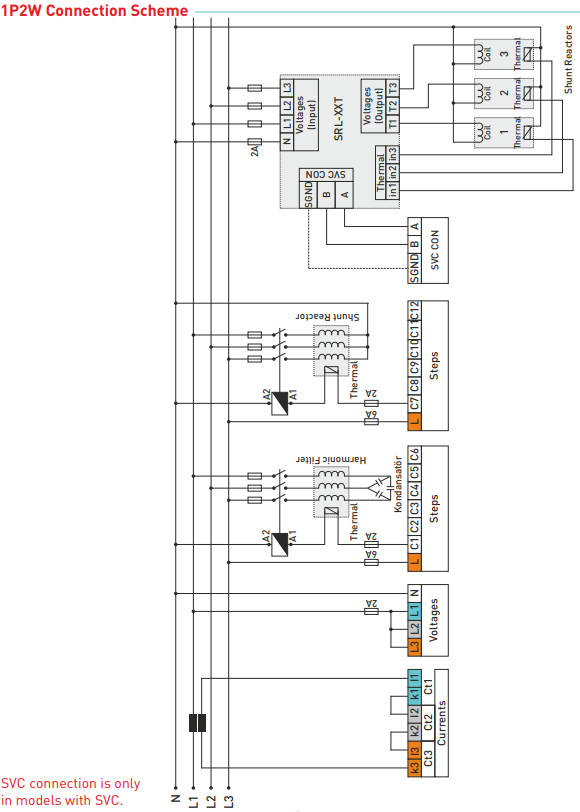
12 koraka + TCR Regulator faktora snage s 2,9-inčnim grafičkim LCD zaslonom (TENSE)
Regulator jalove snage RGT-12E (TENSE) je potpuno automatski uređaj za optimalno uključivanje kompenzacijskih stupnjeva.
Digitalna obrada vrijednosti izmjerenih regulatorom osigurava visoku točnost procjene efektivne vrijednosti napona, struje i faktora snage.
Instalacija uređaja je potpuno automatska - regulator sam otkriva veličinu pojedinih priključenih kompenzacijskih stupnjeva. Te parametre također je moguće unijeti ručno.
Regulator uključuje i isključuje kompenzacijske stupnjeve tako da regulacija jalove snage prođe s minimalnim brojem uključenja. Regulator istovremeno uzima u obzir ravnomjerno opterećenje pojedinih stupnjeva i prioritetno uključuje one koji su isključeni najduže vrijeme i kod kojih je preostali naboj minimalan. Tijekom regulacije provodi se istovremeno kontinuirana kontrola kompenzacijskih stupnjeva - otkrivaju se kvarovi i promjene vrijednosti, periodički se testiraju privremeno isključeni stupnjevi i eventualno se ponovno uključuju u regulacijski proces.
Ulaz generatora i kompenzacija generatora
Vrijeme djelovanja, pražnjenja i stabilizacije može se podesiti
Mogu se priključiti jednofazni, dvofazni i trofazni kondenzator i bočni reaktor
Harmonijski napon i struja mogu se promatrati do 31. harmonike
Mogu se pratiti ukupne energije (uvoz/izvoz)
Vrijednosti THD-V i THD-I svake faze mogu se promatrati
Izrada analize snage (20 uzoraka 9999 min.) - za odabir kondenzatora
Online kartično plaćanje - nakon dovršetka narudžbe bit ćete preusmjereni na pristupnik plaćanja, potvrda plaćanja bit će poslana na vašu e-poštu
COD - uplatu plaćate prema nalogu za plaćanje vozaču prijevoznika
Bankovnom doznakom- najkasnije sljedeći radni dan na Vaš e-mail dobivate predračun na kojem se nalazi broj računa koji ćete unijeti prilikom plaćanja.
Na fakturu - ova opcija plaćanja dostupna je partnerima koji imaju potpisan okvirni ugovor s našom tvrtkom.
Ako želite koristiti zadnja 2 načina, nazovite našeg menadžera i on će vam dati upute kako primiti račun sa ili bez PDV-a.
Elektro oprema koju isporučujemo zadovoljava visoke standarde kvalitete, ima jamstvo od 24 mjeseca i zadovoljava sve EU zahtjeve.
Također imamo besplatnu dostavu (za narudžbe iznad 100 EUR), fleksibilan sustav popusta i promocija. Tehničko znanje i iskustvo naših zaposlenika omogućuje nam kvalitetno savjetovanje i, po potrebi, ponudu alternativa električnim proizvodima.
Električna oprema koju isporučujemo zadovoljava visoke standarde kvalitete, pokrivena je jamstvom od 24 mjeseca i ispunjava sve zahtjeve EU-a.
U slučaju reklamacije povrat robe se ne naplaćuje.
