RGT-12SVC - Regulator jalove snage 12-stupanjski +TCR s RS485 ModBus RTU
Nije uspjelo učitavanje dostupnosti preuzimanja
12 koraka + TCR Regulator faktora snage s s 2,9-inčnim grafičkim LCD zaslonom i RS-485 (TENSE)
Regulator jalove snage RGT-12SVC (TENSE) je potpuno automatski uređaj za optimalno uključivanje kompenzacijskih stupnjeva.
Digitalna obrada vrijednosti izmjerenih regulatorom osigurava visoku točnost procjene efektivne vrijednosti napona, struje i faktora snage.
Instalacija uređaja je potpuno automatska - regulator sam utvrđuje veličinu pojedinačnih priključenih kompenzacijskih stupnjeva. Te parametre također je moguće unijeti izravno ručno.
Regulator uključuje i isključuje kompenzacijske stupnjeve tako da regulacija jalove snage prođe uz najmanji broj uključenja. Regulator istovremeno uzima u obzir ravnomjerno opterećenje pojedinih stupnjeva i prioritetno uključuje one koji su isključeni najduže vrijeme i kod kojih je preostali naboj minimalan. Tijekom regulacije istovremeno se obavlja kontinuirana kontrola kompenzacijskih stupnjeva - otkrivaju se kvarovi i promjene vrijednosti, povremeno se testiraju privremeno izuzeti stupnjevi i po potrebi se ponovno uključuju u regulacijski proces.
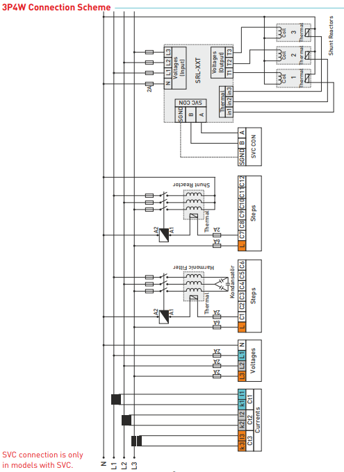
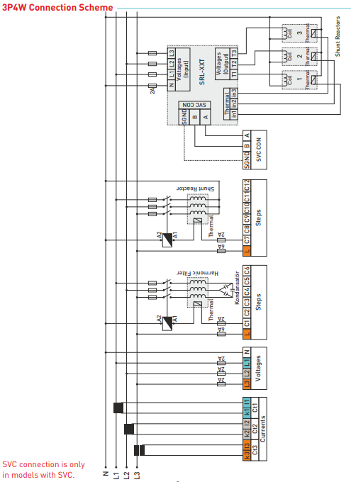
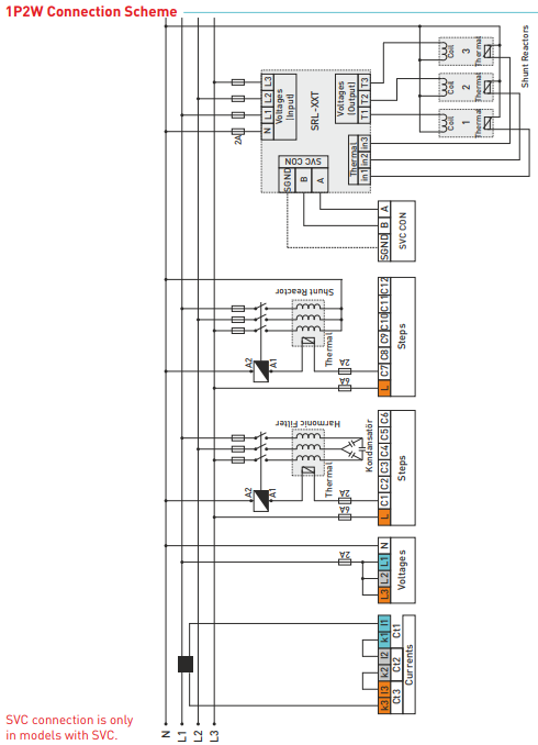
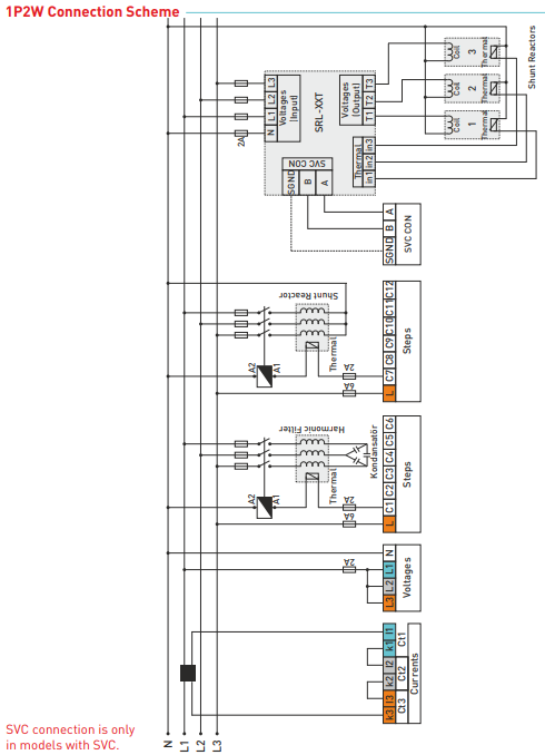
Ulaz generatora i kompenzacija generatora
Vrijemena intervencije, pražnjenja i stabilizacije moguće je postaviti
Udaljena komunikacija s RS485 (RS485 ModBus RTU)
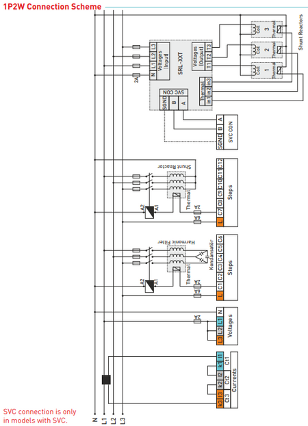
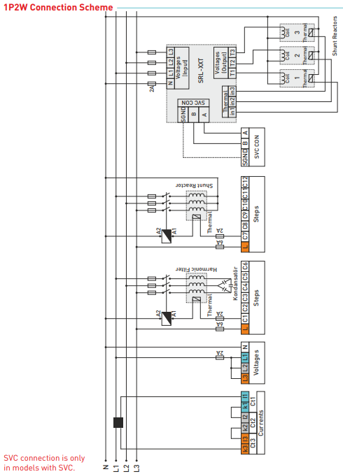
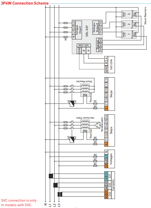
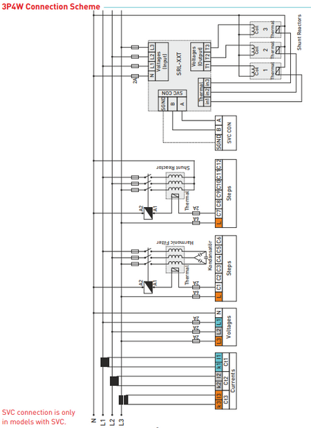
Mogu se priključiti jednofazni, dvofazni i trofazni kondenzator te šantni reaktor
Harmonijski napon i struja mogu se pratiti do 31. harmonike
Mogu se pratiti ukupne energije (uvoz/izvoz)
Vrijednosti THD-V i THD-I svake faze mogu se pratiti
Izrada analize snage (20 uzoraka 9999 min.) - za odabir kondenzatora
gpt-5-chat-latestToday at 13:31
Na hrvatski prijevod izgleda ovako:
Načini plaćanja
Online plaćanje karticom – nakon dovršetka narudžbe bit ćete preusmjereni na platnu stranicu, a potvrdu o uplati dobit ćete e‑poštom.
Pouzećem – iznos prema uplatnom nalogu plaćate vozaču dostavne službe.
Transakcijom / bankovnom uplatom – na Vašu e‑poštu najkasnije sljedeći radni dan dobit ćete predračun na kojem se nalazi broj računa koji trebate upisati prilikom plaćanja.
Na račun (fakturu) – ovu opciju plaćanja imaju partneri koji s našom tvrtkom imaju potpisan okvirni ugovor.
Ako biste željeli koristiti zadnja 2 načina plaćanja, nazovite našeg menadžera i on će Vam dati upute kako dobiti račun s PDV‑om ili bez PDV‑a.
Električni uređaji koje isporučujemo zadovoljavaju visoke standarde kvalitete, imaju jamstvo 24 mjeseca i ispunjavaju sve zahtjeve EU.U slučaju reklamacije povrat robe se ne naplaćuje.
