
Obavijest e‑poštom kada ovaj proizvod postane dostupan
Prednaruči proizvod
- Opis
- Upute
- Načini plaćanja
- Jamstvo
18 koraka + TCR regulator faktora snage za simetrične / asimetrične mreže s 5-inčnim dodirnim zaslonom i RS-485 (TENSE)
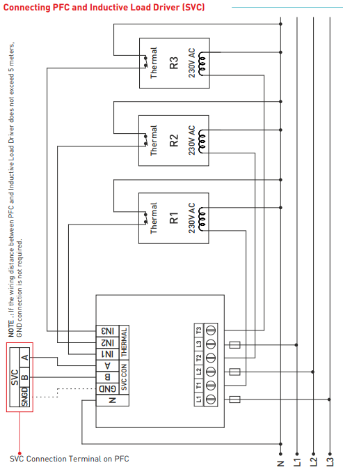
Releji za upravljanje jalovom snagom su dizajnirani kako bi smanjili jalovu snagu (induktivnu i kapacitivnu) koja se ne koristi opterećenjem i koja se crpi iz mreže. Ako se iz mreže crpi induktivna snaga, reagira uključivanjem kondenzatora odgovarajuće vrijednosti. Ako se iz mreže crpi kapacitivna snaga, reagira uključivanjem bočnog reaktora (prigušnice) odgovarajuće vrijednosti. Pokušava se na taj način smanjiti omjer induktivne/aktivne i kapacitivne/aktivne snage u sustavu. Dizajniran je da pruži razumniju kompenzaciju u nesimetričnim induktivnim i kapacitivnim sustavima s korakom RGT-MT18 TCR
Ulaz generatora i kompenzacija generatora
Napon, harmonična struja/napon, induktivni i kapacitivni alarmni izlaz
Vremena intervencije, pražnjenja i stabilizacije mogu se podesiti
Daljinska komunikacija s RS485 (RS485 ModBus RTU)
Moguće je priključiti jednofazni, dvofazni i trofazni kondenzator i bočni reaktor
Harmonijski napon i struja mogu se pratiti do 61. harmonike
Mogu se pratiti ukupne energije (uvoz/izvoz)
Vrijednosti THD-V i THD-I svake faze mogu se pratiti
Izrada analize snage (20 uzoraka 9999 min.) - za odabir kondenzatora
Izlaz temperaturnog alarma
Registracija potražnje (aktivna, reaktivna i prividna snaga te trenutna potražnja)
Mogu se pratiti minimalne, maksimalne i prosječne vrijednosti struje i napona svake faze
Točan datum i vrijeme
Online kartično plaćanje - nakon dovršetka narudžbe bit ćete preusmjereni na pristupnik plaćanja, potvrda plaćanja bit će poslana na vašu e-poštu
COD - uplatu plaćate prema nalogu za plaćanje vozaču prijevoznika
Bankovnom doznakom- najkasnije sljedeći radni dan na Vaš e-mail dobivate predračun na kojem se nalazi broj računa koji ćete unijeti prilikom plaćanja.
Na fakturu - ova opcija plaćanja dostupna je partnerima koji imaju potpisan okvirni ugovor s našom tvrtkom.
Ako želite koristiti zadnja 2 načina, nazovite našeg menadžera i on će vam dati upute kako primiti račun sa ili bez PDV-a.
Elektro oprema koju isporučujemo zadovoljava visoke standarde kvalitete, ima jamstvo od 24 mjeseca i zadovoljava sve EU zahtjeve.
Također imamo besplatnu dostavu (za narudžbe iznad 100 EUR), fleksibilan sustav popusta i promocija. Tehničko znanje i iskustvo naših zaposlenika omogućuje nam kvalitetno savjetovanje i, po potrebi, ponudu alternativa električnim proizvodima.
Električna oprema koju isporučujemo zadovoljava visoke standarde kvalitete, pokrivena je jamstvom od 24 mjeseca i ispunjava sve zahtjeve EU-a.
U slučaju reklamacije povrat robe se ne naplaćuje.
