
Obavijest e‑poštom kada ovaj proizvod postane dostupan
Prednaruči proizvod
- Opis
- Upute
- Načini plaćanja
- Jamstvo
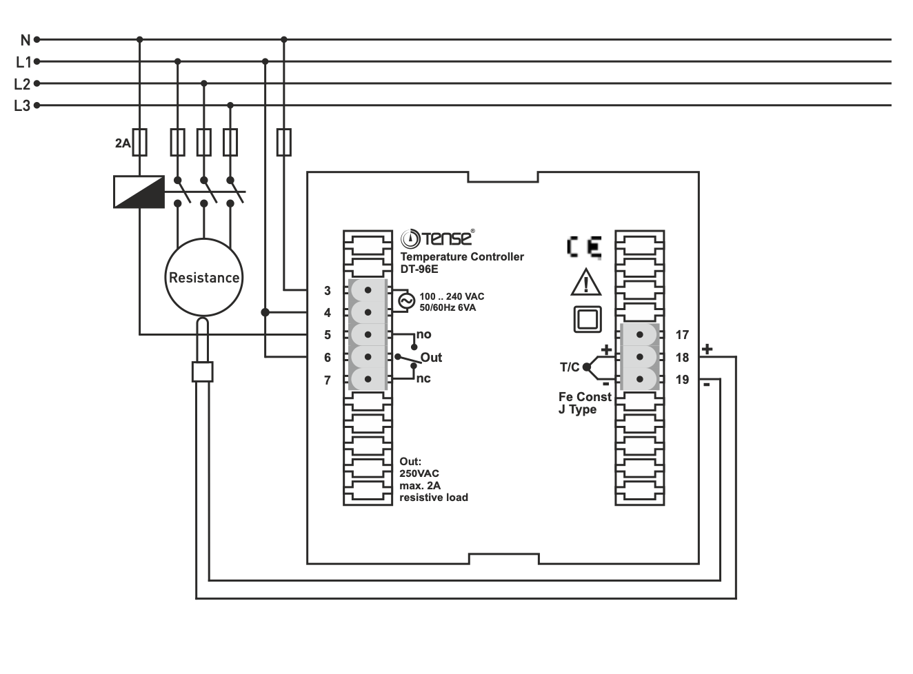
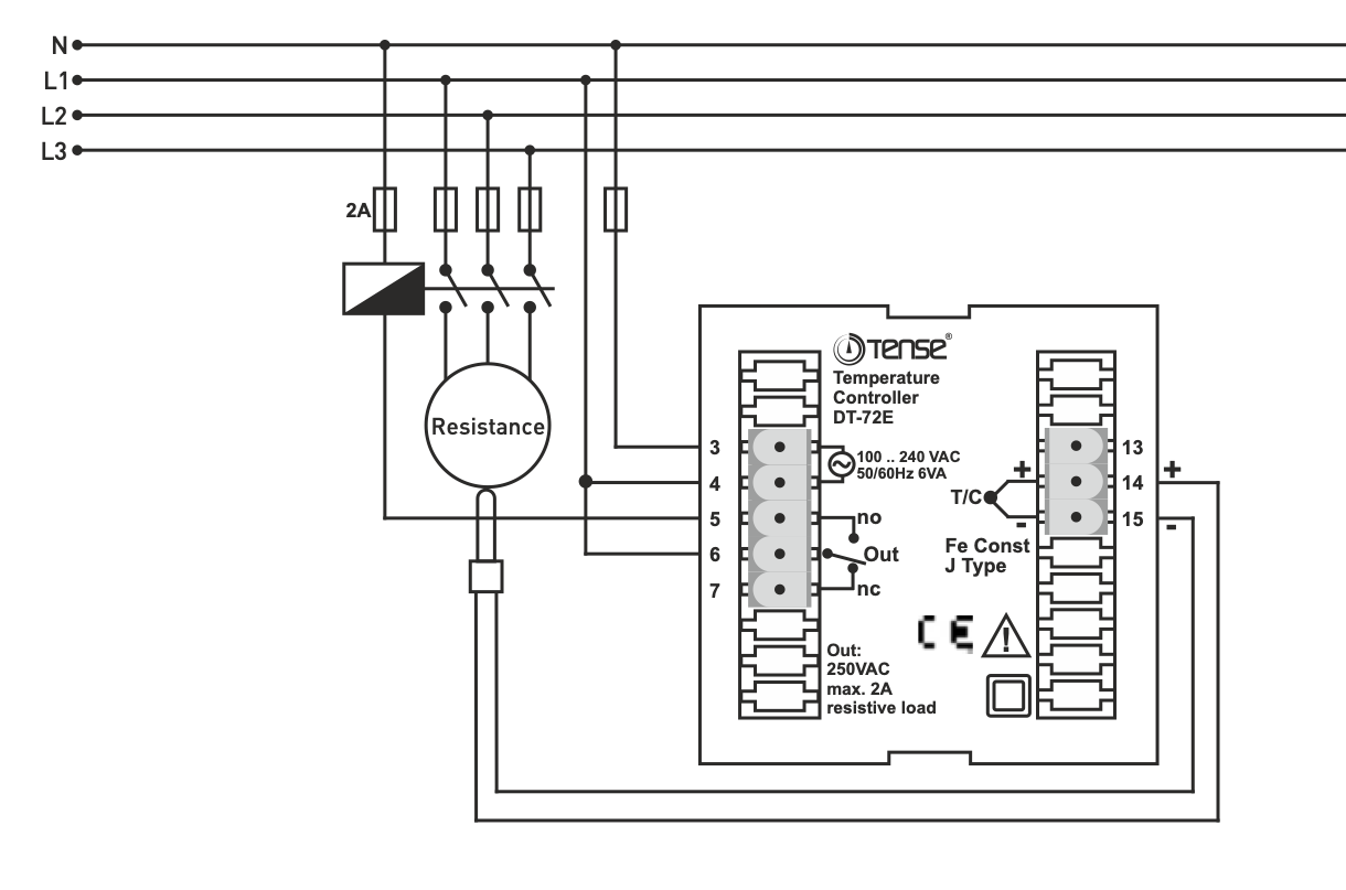
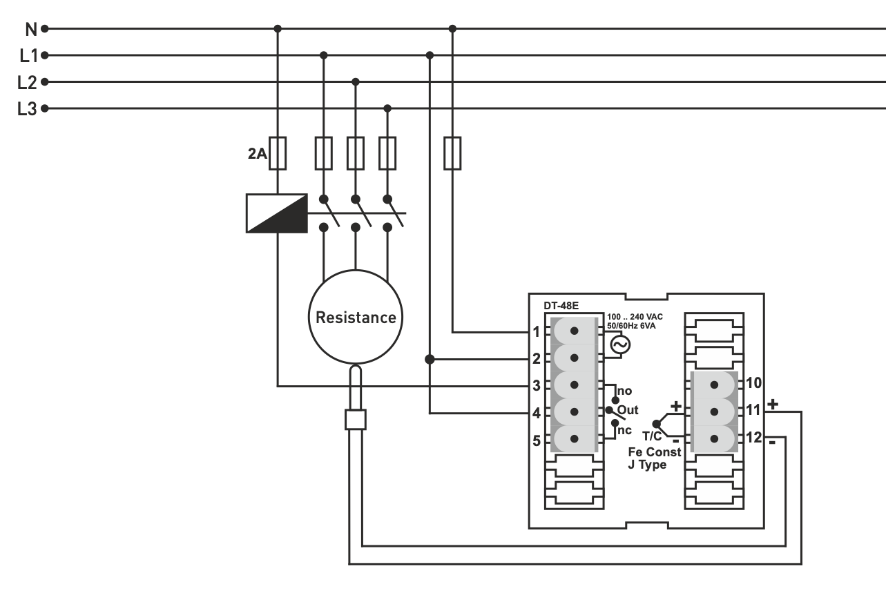
Termostat / dvotočkasti regulator temperature za ugradnju u panel ON/OFF UKLJUČENO/ISKLJUČENO način upravljanja, raspon mjerenja 0°C ... +600°C, razlučivost / korak 1ºC (proizvedeno u Turskoj, TENSE)
Regulacija i nadzor termičkih procesa grijanja, klimatizacije i ventilacijskih sustava, automatizacija zgrada, industrijskih postrojenja.
Tip senzora: J tip, Fe-Const, T/C
Izlazi releja OUT (NO+NC) 250VAC, 2A
- Histereza
EEPROM memorija za spremanje postavki
Zaštita lozinkom
Visoka preciznost : %0.3
Molimo vas ne zaboravite naručiti naše temperaturne sonde - termočlanak tipa J Fe-Const (metrički 6/8) s rasponom mjerenja temperature: -100 °C – +600 °C. Može imati kabel duljine 1 m, 1,5 m, 2 m, 2,5 m, 3 m, 4 m i 5 metara dugo
Online kartično plaćanje - nakon dovršetka narudžbe bit ćete preusmjereni na pristupnik plaćanja, potvrda plaćanja bit će poslana na vašu e-poštu
COD - uplatu plaćate prema nalogu za plaćanje vozaču prijevoznika
Bankovnom doznakom- najkasnije sljedeći radni dan na Vaš e-mail dobivate predračun na kojem se nalazi broj računa koji ćete unijeti prilikom plaćanja.
Na fakturu - ova opcija plaćanja dostupna je partnerima koji imaju potpisan okvirni ugovor s našom tvrtkom.
Ako želite koristiti zadnja 2 načina, nazovite našeg menadžera i on će vam dati upute kako primiti račun sa ili bez PDV-a.
Elektro oprema koju isporučujemo zadovoljava visoke standarde kvalitete, ima jamstvo od 24 mjeseca i zadovoljava sve EU zahtjeve.
Također imamo besplatnu dostavu (za narudžbe iznad 100 EUR), fleksibilan sustav popusta i promocija. Tehničko znanje i iskustvo naših zaposlenika omogućuje nam kvalitetno savjetovanje i, po potrebi, ponudu alternativa električnim proizvodima.
Električna oprema koju isporučujemo zadovoljava visoke standarde kvalitete, pokrivena je jamstvom od 24 mjeseca i ispunjava sve zahtjeve EU-a.
U slučaju reklamacije povrat robe se ne naplaćuje.
