3-fazni digitalni panelni mjerači Multimetar struje Napon Indikator frekvencije
Nije uspjelo učitavanje dostupnosti preuzimanja
Multimetar - 3-fazni panelni multimetar, višefunkcijski digitalni panelni mjerač, pokazivač struje, napona i frekvencije, proizvođač TENSE (Turska), panelni mjerači
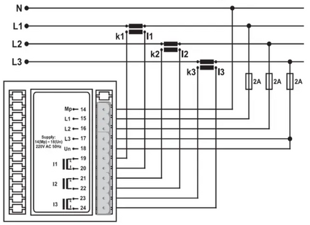
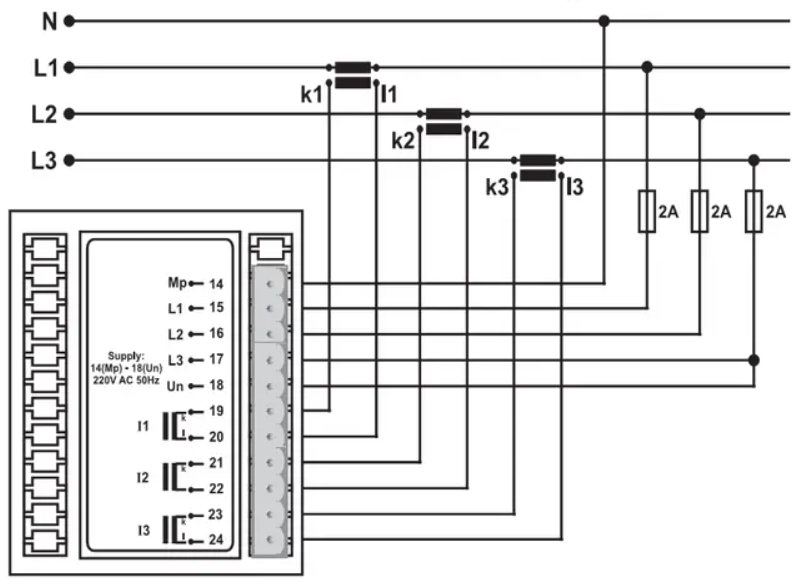
Trofazni VAHz panelni mjerač izmjenične struje za mjerenje struje, napona i provjeru fazne veze u trofaznim uređajima, strojevima ili razvodima izmjenične struje.
Glavne prednosti:
- (I,U(L-L,L-N,HZ);
- Opseg mjerenja:
- (EM-06 i EM-72), indirektno mjerenje 5/5...9995/5A (EM-06 i EM-72), 1A - 100A (EM-100D) , 2-250A (EM-250D);
-
Napon - 1V-300V AC (L-N), 1V-500V AC (L-L);
- frekvencija - 40Hz-60Hz;
-
Praćenje faze;
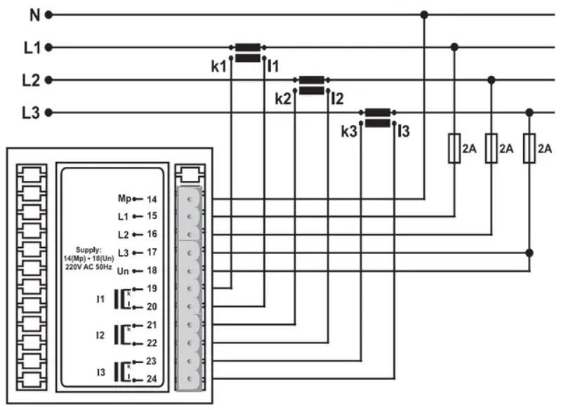
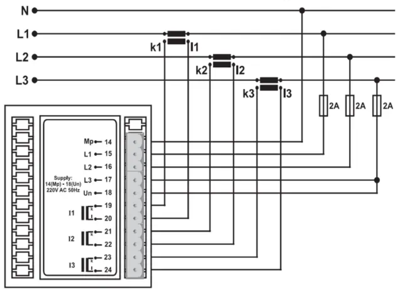
- Mjerni transformator je uključen u isporuku (EM-100D i EM-250D).
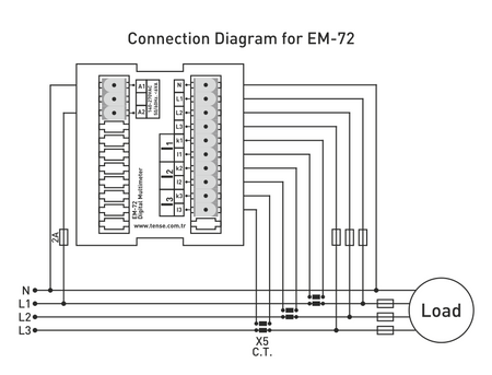
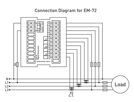
Obično se ovaj multimetar (EM-06/EM-72) koristi s mjernim transformatorima struje - 60/5 75/5 100/5 150/5 200/5 250/5 300/5 400/5 500/5 600/5 800/5 1000/5 1500/5 ili sličnim. Takve transformatorе možete kupiti u našem e-shopu,
gpt-5-chat-latestToday at 13:31
Na hrvatski prijevod izgleda ovako:
Načini plaćanja
Online plaćanje karticom – nakon dovršetka narudžbe bit ćete preusmjereni na platnu stranicu, a potvrdu o uplati dobit ćete e‑poštom.
Pouzećem – iznos prema uplatnom nalogu plaćate vozaču dostavne službe.
Transakcijom / bankovnom uplatom – na Vašu e‑poštu najkasnije sljedeći radni dan dobit ćete predračun na kojem se nalazi broj računa koji trebate upisati prilikom plaćanja.
Na račun (fakturu) – ovu opciju plaćanja imaju partneri koji s našom tvrtkom imaju potpisan okvirni ugovor.
Ako biste željeli koristiti zadnja 2 načina plaćanja, nazovite našeg menadžera i on će Vam dati upute kako dobiti račun s PDV‑om ili bez PDV‑a.
Električni uređaji koje isporučujemo zadovoljavaju visoke standarde kvalitete, imaju jamstvo 24 mjeseca i ispunjavaju sve zahtjeve EU.U slučaju reklamacije povrat robe se ne naplaćuje.
