Asimetrični ciklički relej - Bljeskalica na početku impulsa , Bljeskalica na početku pauze
Nije uspjelo učitavanje dostupnosti preuzimanja
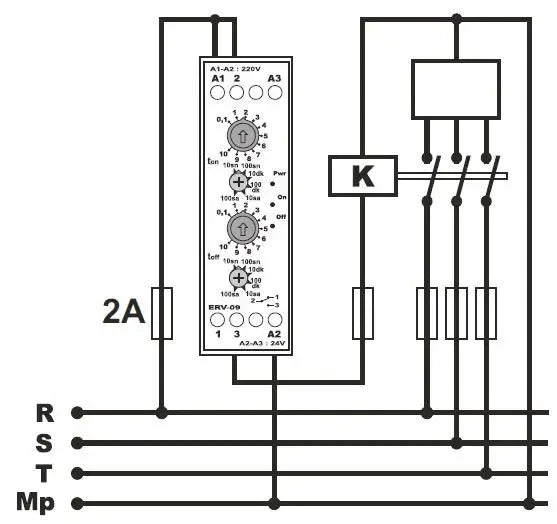
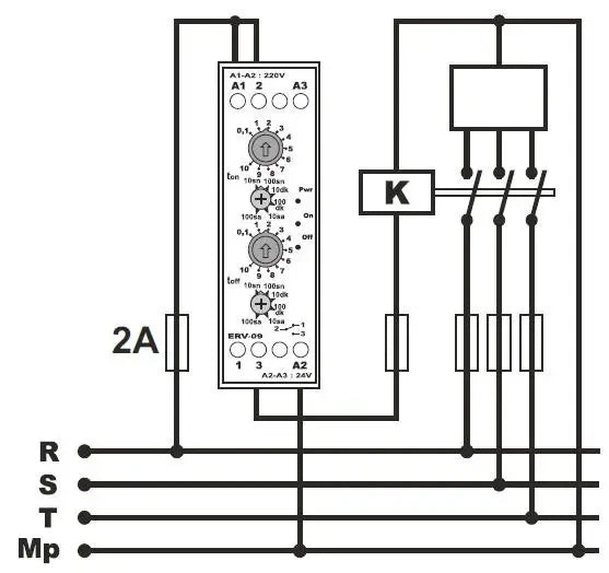
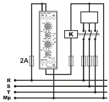
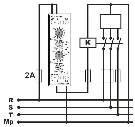
Vremenski relej - Bljeskalica na početku impulsa , Bljeskalica na početku pauze ciklički relej - simetrični / asimetrični ciklus
Ciklički relej ili ciklički vremenski relej koristi se za periodično uključivanje električnog opterećenja (kao što su rasvjeta, ventilatori itd.) ili za napajanje upravljačkih signala u automatskim nadzornim ili upravljačkim sustavima (na primjer uključivanje nužnog treptajućeg svjetla ili zvučnog signala). Ovaj ciklički tajmer može biti koristan za organiziranje automatskih ventilacijskih procesa, otvaranje i zatvaranje prozora, periodično uključivanje grijanja ili ventilacije, za osvjetljenje ili okretanje reklamnih natpisa.
Ako relej konfigurirate tako da su mu vrijeme uključenja i pauze simetrični, može se, na primjer, koristiti za postupno uključivanje nekih električnih uređaja u slučaju ograničenja struje / snage (grijaći elementi, generatori topline). Prisutnost preklopnog izlaznog kontakta omogućava pokretanje ciklusa ili u impulsnom načinu ili s pauzom.
- vremenski relej - ciklički uređaj s neovisno podesivim vremenom uključenja i isključenja izlaza
- služi za redovito provjetravanje prostorija, cikličko sušenje vlage, upravljanje rasvjetom, cirkulacijske pumpe, svjetlosne reklame itd.
- Vremenski relej montira se na standardnu 35mm DIN šinu
gpt-5-chat-latestToday at 13:31
Na hrvatski prijevod izgleda ovako:
Načini plaćanja
Online plaćanje karticom – nakon dovršetka narudžbe bit ćete preusmjereni na platnu stranicu, a potvrdu o uplati dobit ćete e‑poštom.
Pouzećem – iznos prema uplatnom nalogu plaćate vozaču dostavne službe.
Transakcijom / bankovnom uplatom – na Vašu e‑poštu najkasnije sljedeći radni dan dobit ćete predračun na kojem se nalazi broj računa koji trebate upisati prilikom plaćanja.
Na račun (fakturu) – ovu opciju plaćanja imaju partneri koji s našom tvrtkom imaju potpisan okvirni ugovor.
Ako biste željeli koristiti zadnja 2 načina plaćanja, nazovite našeg menadžera i on će Vam dati upute kako dobiti račun s PDV‑om ili bez PDV‑a.
Električni uređaji koje isporučujemo zadovoljavaju visoke standarde kvalitete, imaju jamstvo 24 mjeseca i ispunjavaju sve zahtjeve EU.U slučaju reklamacije povrat robe se ne naplaćuje.
