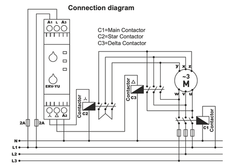
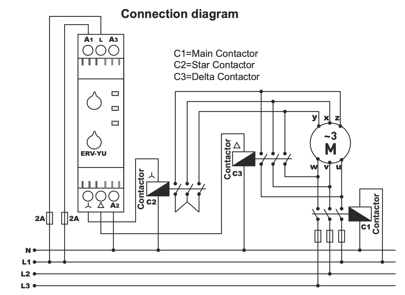
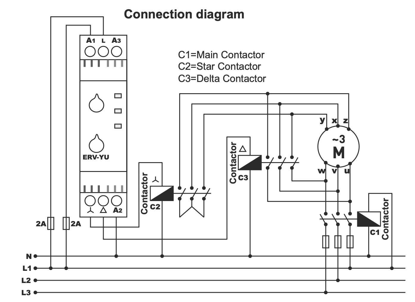
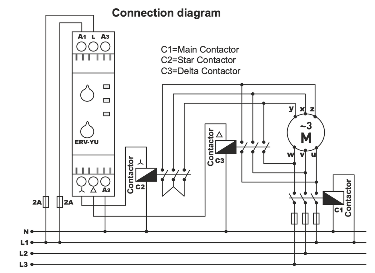
Automatski preklopnik zvijezda-trokut / Vremenski relej zvijezda-trokut
Nije uspjelo učitavanje dostupnosti preuzimanja
Automatski preklopnik zvijezda-trokut / Vremenski relej zvijezda-trokut 24VAC/DC – 240V AC s 1 preklopnim kontaktom.
Automatski preklopnik zvijezda-trokut - Vremenska releja zvijezda-trokut su dizajnirana za upotrebu pri prvom pokretanju trofaznih motora. Kada je zavojnica pod naponom, prebacuje se na zvjezdno spajanje kako bi se omogućilo pokretanje motora. Zvijezda ostaje priključena određeno vrijeme, a zatim prelazi u stanje pripravnosti. Nakon isteka vremena čekanja omogućuje se prebacivanje na delta (trokut) spajanje. Time se postiže učinkovitost smanjenjem struje koju crpe motori velike snage pri pokretanju.
Vremenski relej se montira na standardnu 35 mm DIN šinu
gpt-5-chat-latestToday at 13:31
Na hrvatski prijevod izgleda ovako:
Načini plaćanja
Online plaćanje karticom – nakon dovršetka narudžbe bit ćete preusmjereni na platnu stranicu, a potvrdu o uplati dobit ćete e‑poštom.
Pouzećem – iznos prema uplatnom nalogu plaćate vozaču dostavne službe.
Transakcijom / bankovnom uplatom – na Vašu e‑poštu najkasnije sljedeći radni dan dobit ćete predračun na kojem se nalazi broj računa koji trebate upisati prilikom plaćanja.
Na račun (fakturu) – ovu opciju plaćanja imaju partneri koji s našom tvrtkom imaju potpisan okvirni ugovor.
Ako biste željeli koristiti zadnja 2 načina plaćanja, nazovite našeg menadžera i on će Vam dati upute kako dobiti račun s PDV‑om ili bez PDV‑a.
Električni uređaji koje isporučujemo zadovoljavaju visoke standarde kvalitete, imaju jamstvo 24 mjeseca i ispunjavaju sve zahtjeve EU.U slučaju reklamacije povrat robe se ne naplaćuje.
