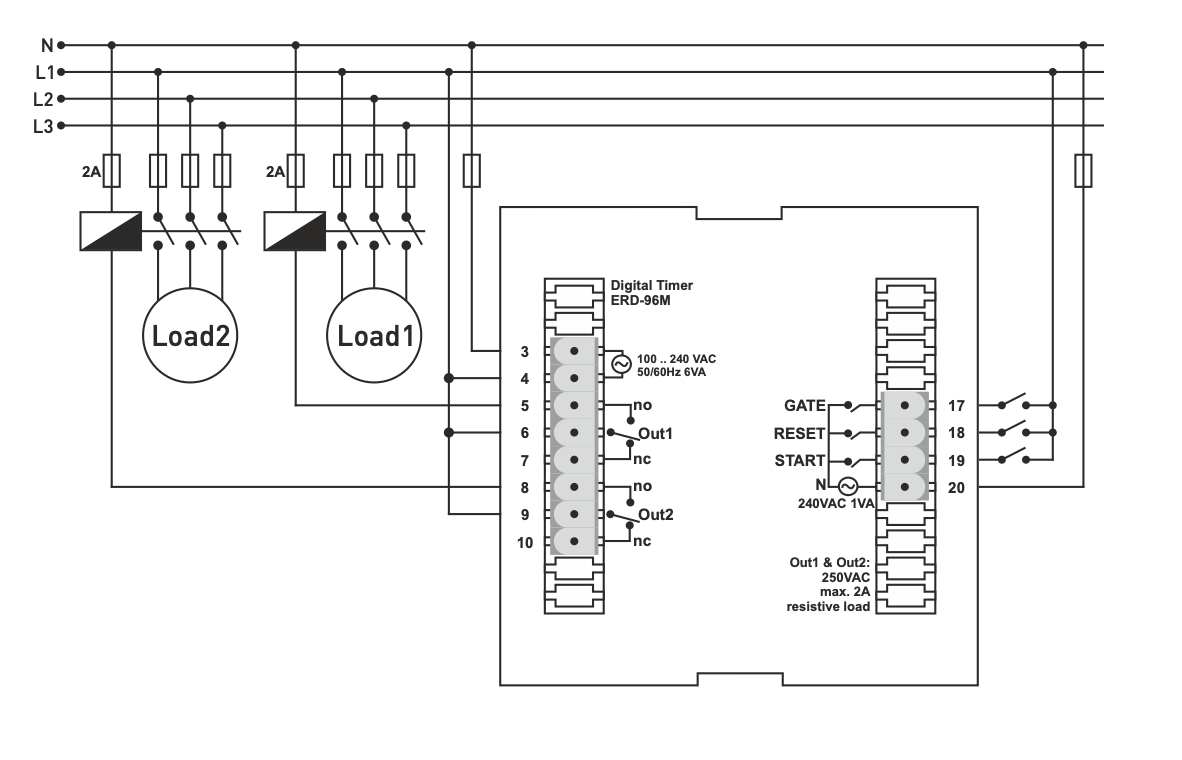
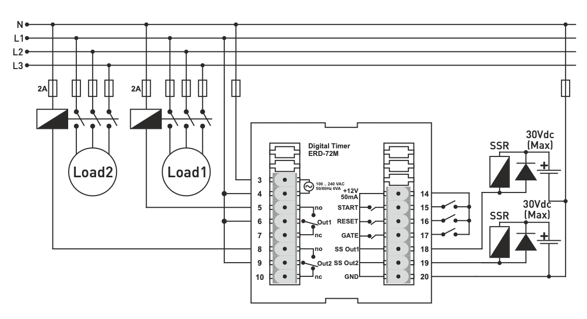
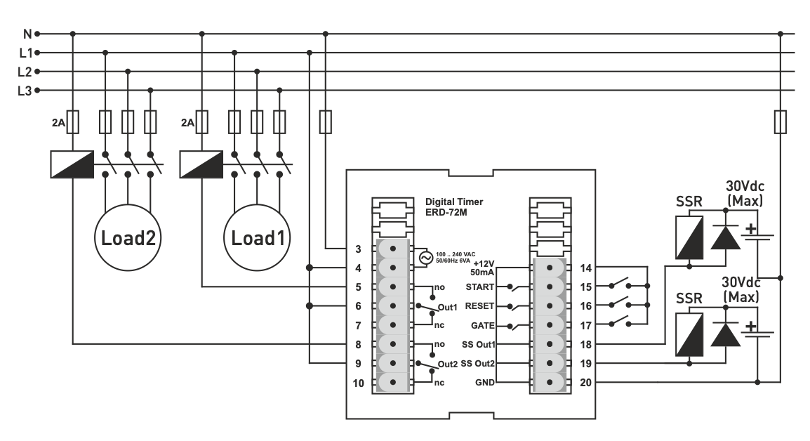
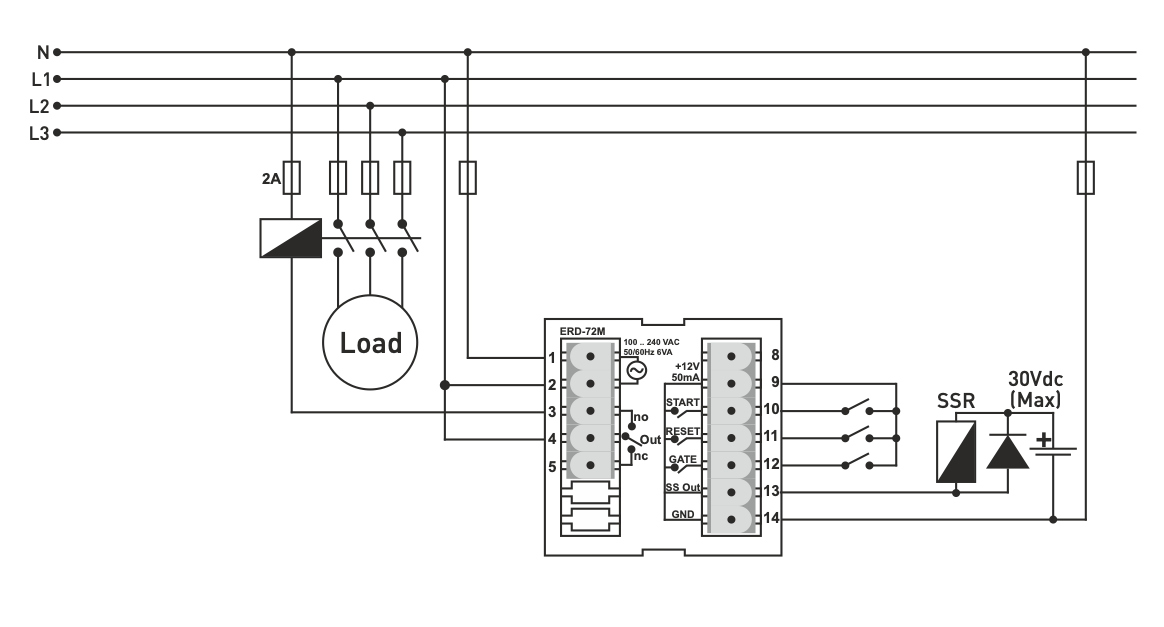
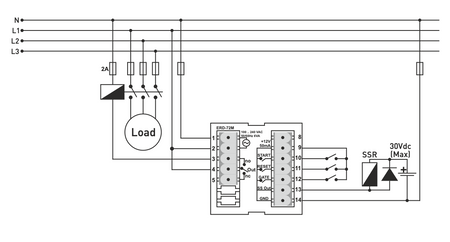
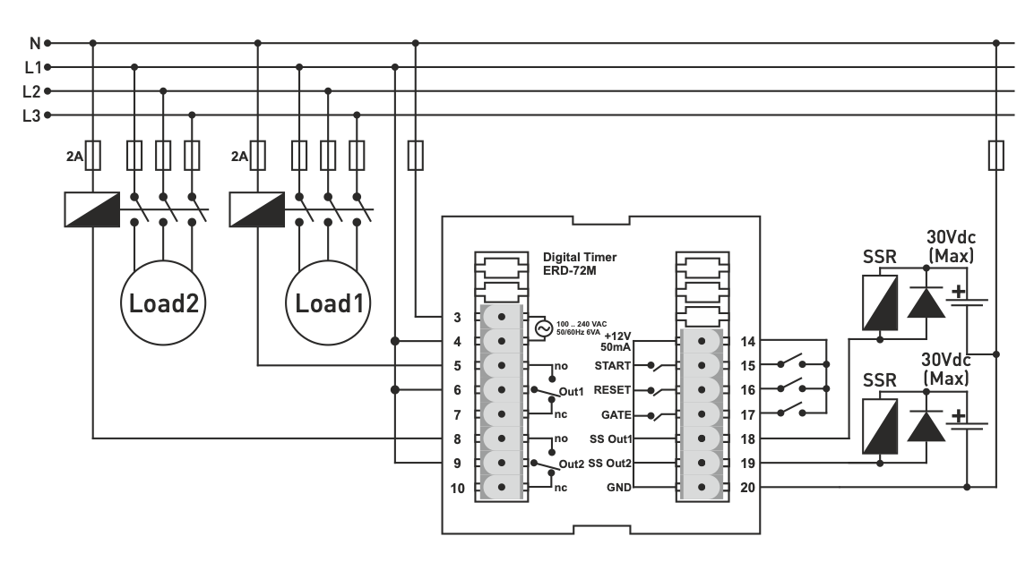
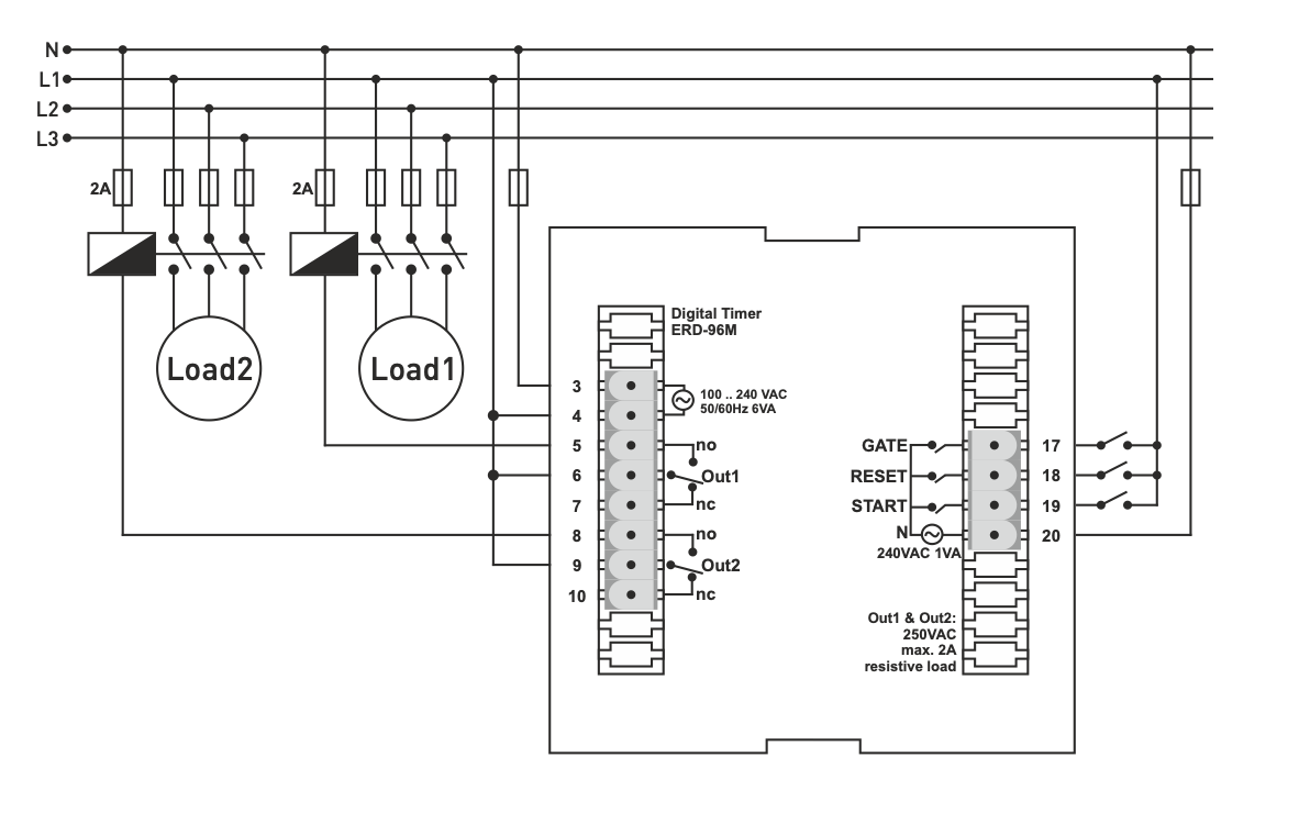
Multifunkcionalno vremensko rele s 2x4 LED zaslonom za montažu na panel/vrata
Nije uspjelo učitavanje dostupnosti preuzimanja
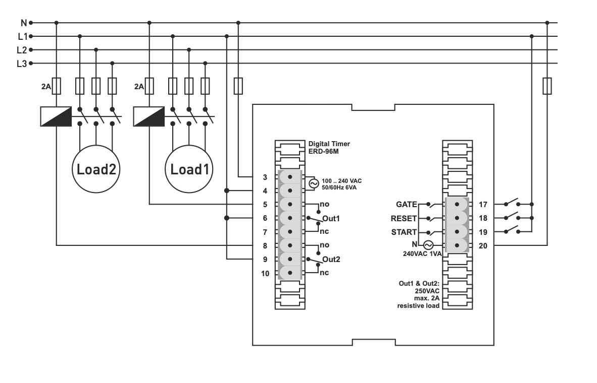
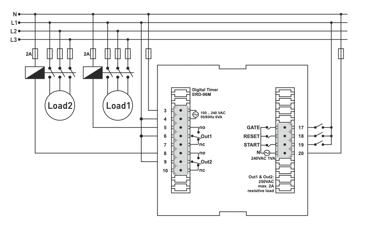
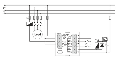
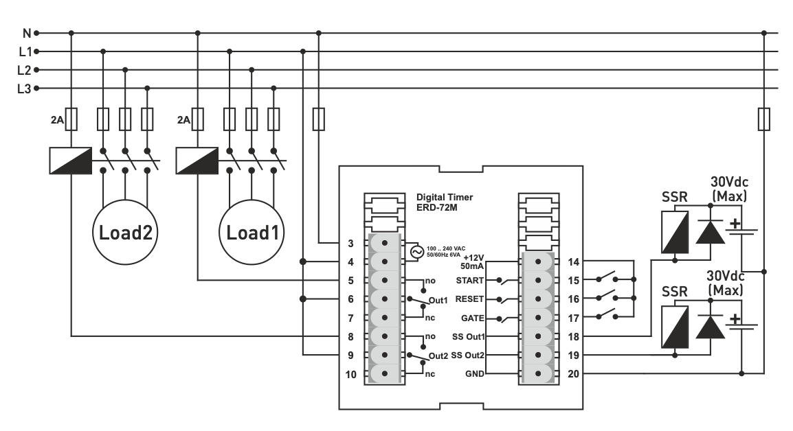
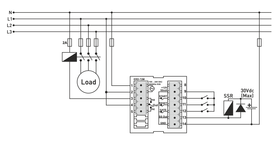
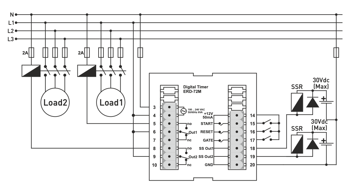
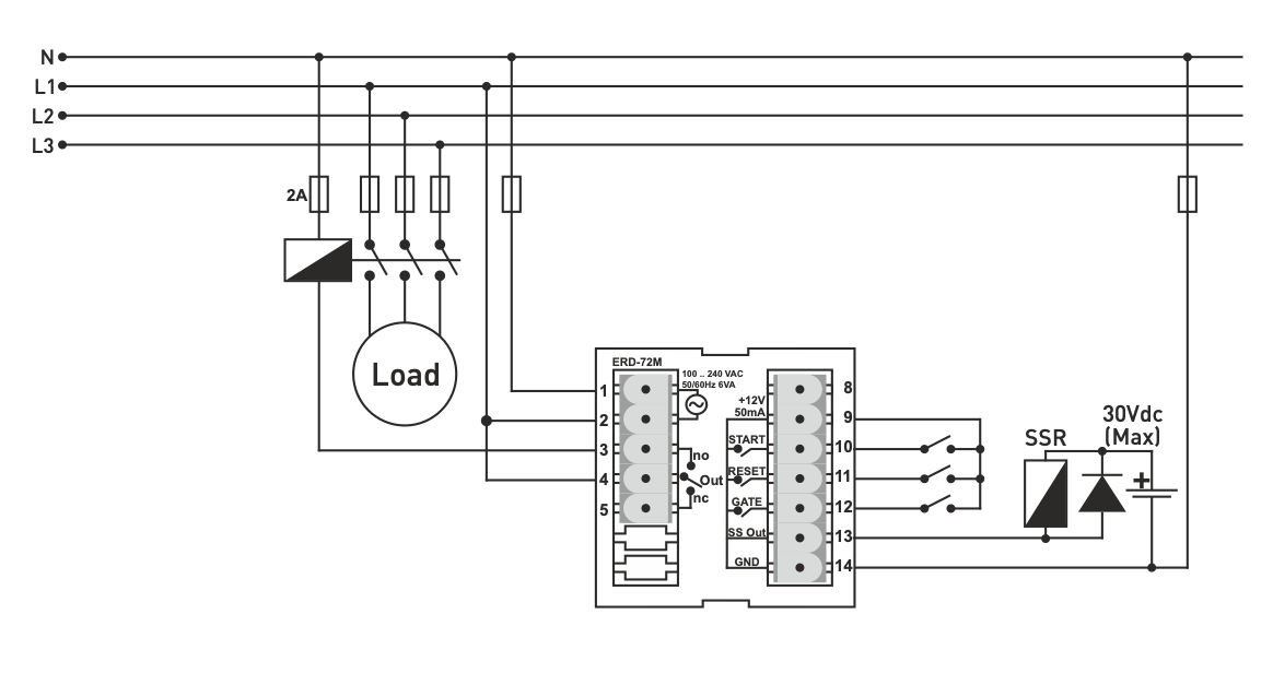
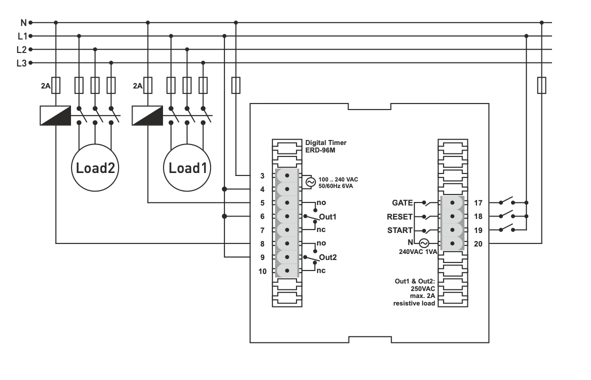
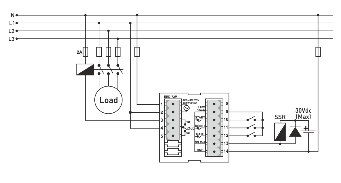
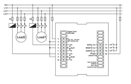
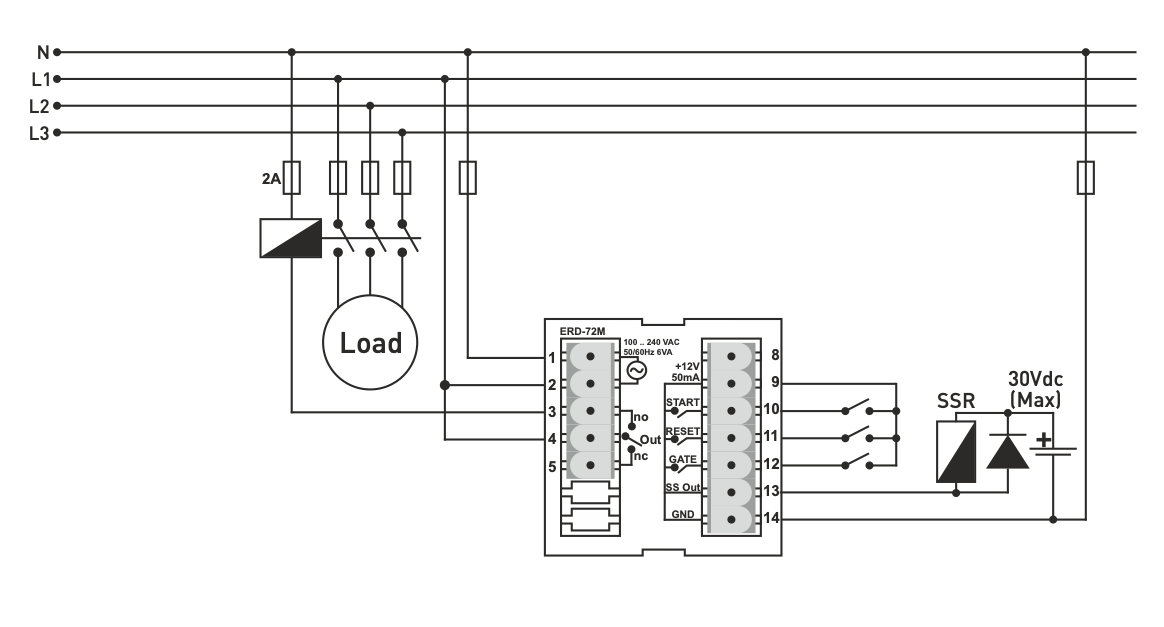
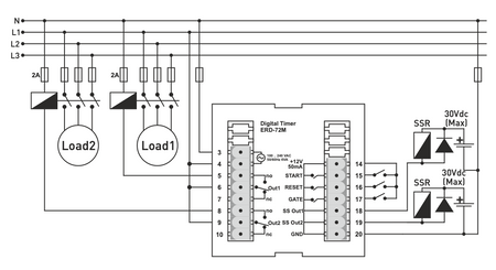
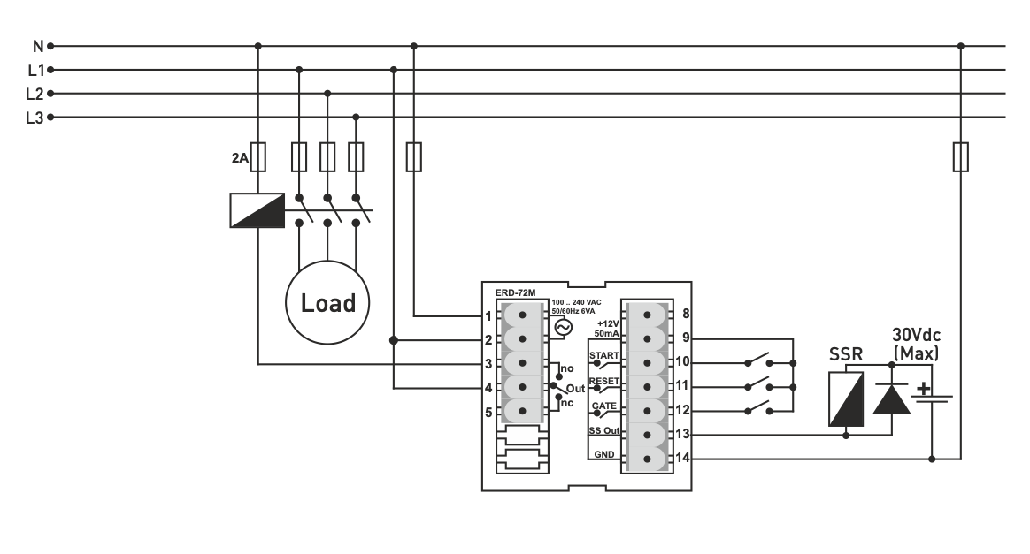
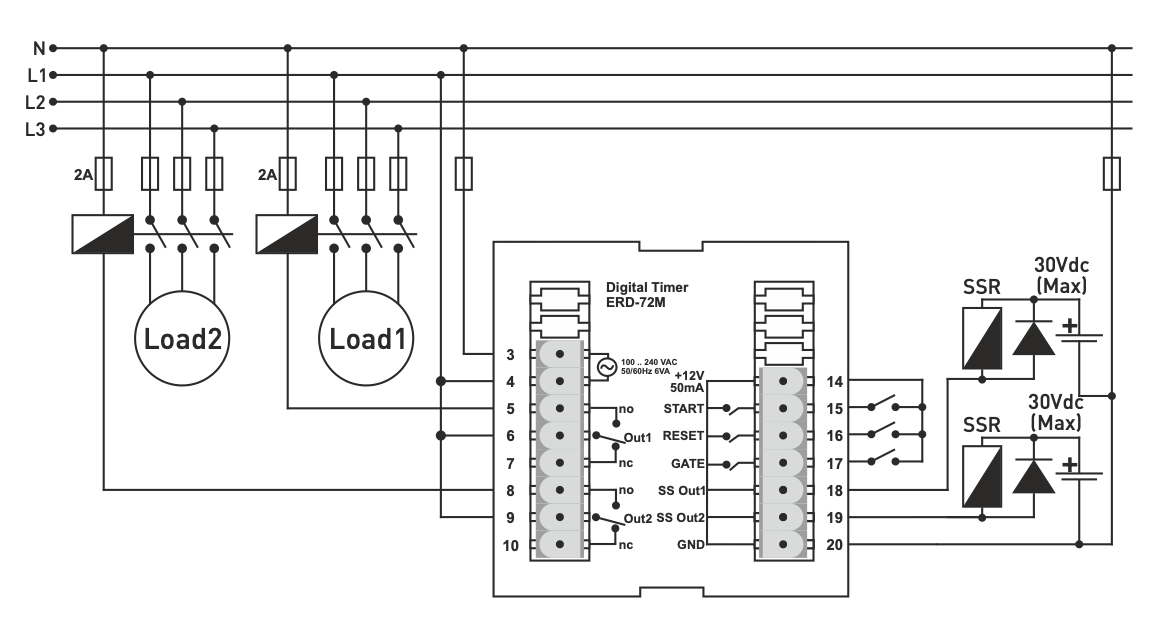
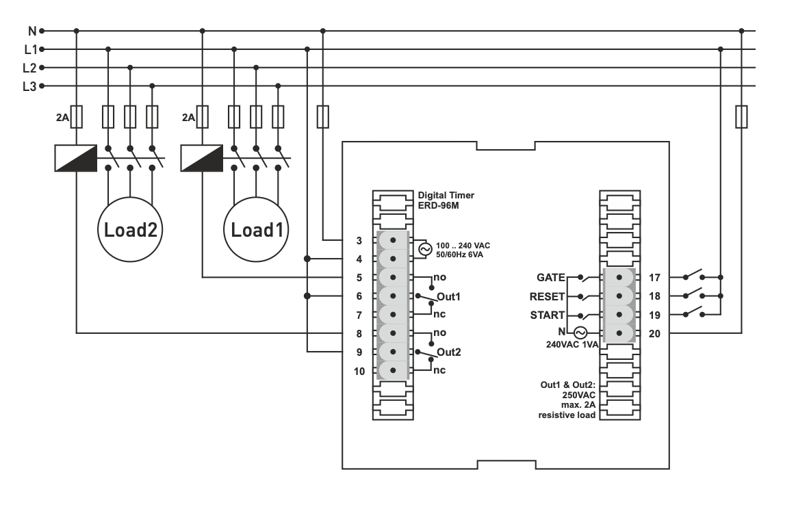
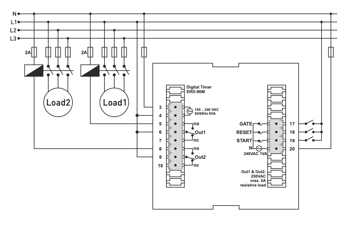
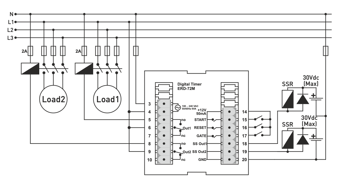
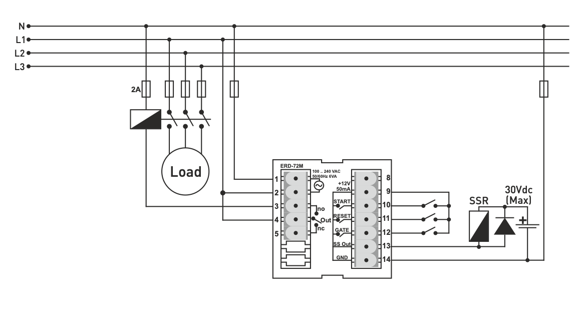
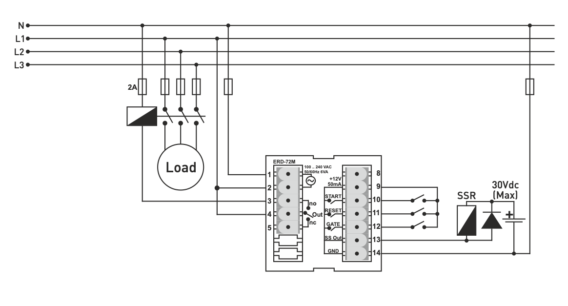
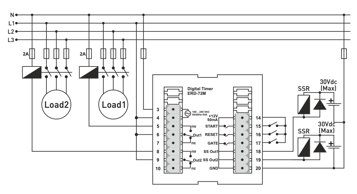
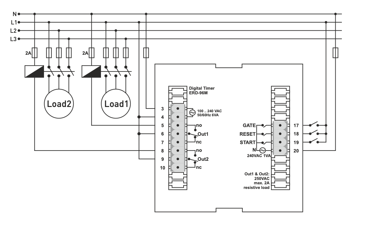
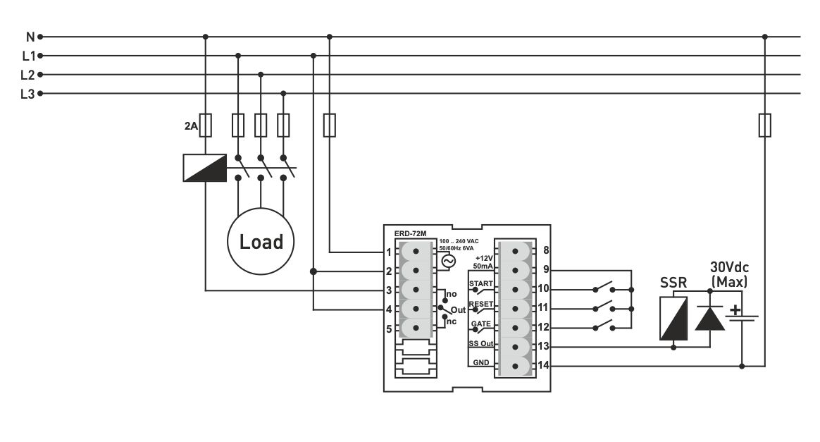
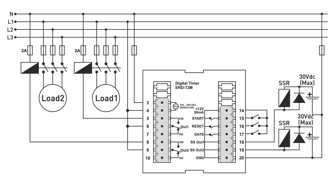
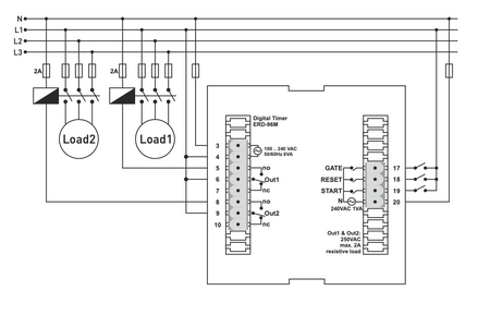
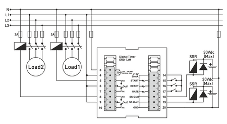
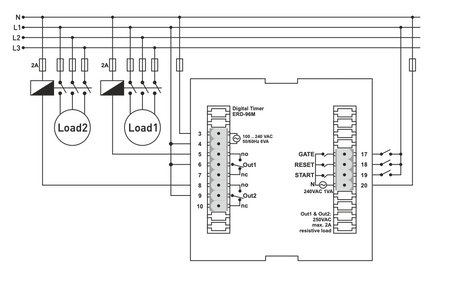
Višenamjenski vremenski relej s 2x4 LED zaslonom za ugradnju na ploču/vrata. TENSE ERD-96M, ERD-48M, ERD-72M
Vremenski relej s osam funkcija :
Mode 0: Pulsed Delay, OFF with RESET
Mode 1: Flashing with START/RESET
Mode 2: One Shot after ON and OFF
Mode 3: OFF Delay
Mode 4: Follow & ON Delay
Mode 5: Delayed One Shot after OFF
Mode 6: Chronometer - Count with START
Mode 7: Chronometer - Count with START, Reset with RESET
Raspon postavki vremena:
99:59 sati / 99:59 minuta / 599,9 sekundi
gpt-5-chat-latestToday at 13:31
Na hrvatski prijevod izgleda ovako:
Načini plaćanja
Online plaćanje karticom – nakon dovršetka narudžbe bit ćete preusmjereni na platnu stranicu, a potvrdu o uplati dobit ćete e‑poštom.
Pouzećem – iznos prema uplatnom nalogu plaćate vozaču dostavne službe.
Transakcijom / bankovnom uplatom – na Vašu e‑poštu najkasnije sljedeći radni dan dobit ćete predračun na kojem se nalazi broj računa koji trebate upisati prilikom plaćanja.
Na račun (fakturu) – ovu opciju plaćanja imaju partneri koji s našom tvrtkom imaju potpisan okvirni ugovor.
Ako biste željeli koristiti zadnja 2 načina plaćanja, nazovite našeg menadžera i on će Vam dati upute kako dobiti račun s PDV‑om ili bez PDV‑a.
Električni uređaji koje isporučujemo zadovoljavaju visoke standarde kvalitete, imaju jamstvo 24 mjeseca i ispunjavaju sve zahtjeve EU.U slučaju reklamacije povrat robe se ne naplaćuje.
