Panelni mrežni analizator struje, napona, frekvencije, snage, energije, RS485
Nije uspjelo učitavanje dostupnosti preuzimanja
3-fazni analizator parametara mreže / Network analyzer / Network analyzer - višenamjenski digitalni panelni mjerač, pokazivač struje, napona, frekvencije i ukupne snage, s relejnim izlazom, RS485 ModBus RTU - TPM-04SHDL proizvođača TENSE (Turska) panelni mjerači.
Analizatori snage su namijenjeni mjerenju i praćenju električnih veličina. Zahvaljujući komunikacijskoj funkciji moguće je neovisno pratiti i izvještavati izmjerene vrijednosti energije. Pomoću analizatora energije moguće je provoditi analize, kao što su kvaliteta energije, učinkovitost i izračun jediničnih troškova.
Glavne prednosti: U slučaju da se radi o potrošnji energije, moguće je koristiti tzv.:
- RS485 Modbus RTU (1200-19200b/s)
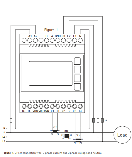
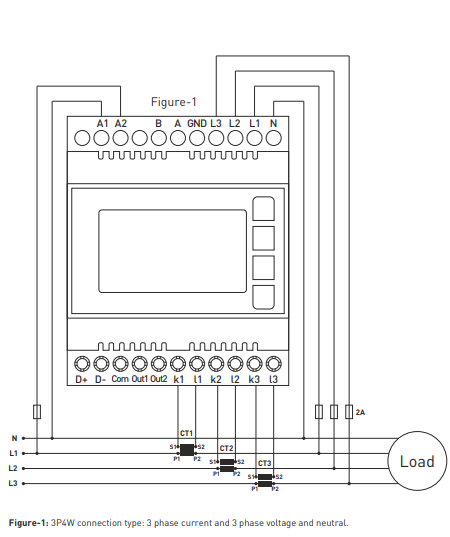
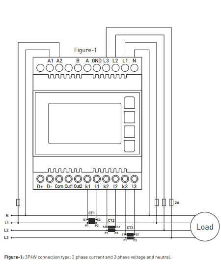
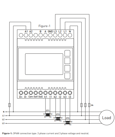
- Trofazni transformator napona i trofazni transformator struje.
-
Prikazuje harmoničke sastavnice napona i struje do 31. harmonike.
-
Prikazuje aktivnu snagu po fazi (P)
-
Prikazuje jalovu snagu po fazi (Q, induktivna i kapacitivna)
-
Prikazuje prividne snage po fazi (S)
-
Prikazuje vrijednosti Cosφ i faktora snage svake faze.
-
Prikazuje vrijednosti napona (V) i struje (I) između faza i neutralnih vodova te mjeri frekvenciju.
-
Prikazuje ukupne vrijednosti uvoza i izvoza aktivne energije (ΣkWh)
-
Prikazuje ukupne vrijednosti induktivne i kapacitivne jalove energije (ΣkVArh).
-
Prikazuje minimalne i maksimalne vrijednosti, maksimalnu potrebu
-
2 relejna izlaza, 1 digitalni ulaz
-
Zapisnici događaja (visoki/niski napon/struja, nesimetrija napona/struje, THD-I)
-
Meni je zaštićen lozinkom.
Obično se ovaj mrežni analizator koristi s mjernim transformatorima struje - 60/5 75/5 100/5 150/5 200/5 250/5 300/5 400/5 500/5 600/5 800/5 1000/5 1500/5 ili sličnima. Ako planirate povezati analizator na ModBus sabirnicu, poslat ćemo vam na zahtjev "Registračnu tablicu" s ModBus adresama.
gpt-5-chat-latestToday at 13:31
Na hrvatski prijevod izgleda ovako:
Načini plaćanja
Online plaćanje karticom – nakon dovršetka narudžbe bit ćete preusmjereni na platnu stranicu, a potvrdu o uplati dobit ćete e‑poštom.
Pouzećem – iznos prema uplatnom nalogu plaćate vozaču dostavne službe.
Transakcijom / bankovnom uplatom – na Vašu e‑poštu najkasnije sljedeći radni dan dobit ćete predračun na kojem se nalazi broj računa koji trebate upisati prilikom plaćanja.
Na račun (fakturu) – ovu opciju plaćanja imaju partneri koji s našom tvrtkom imaju potpisan okvirni ugovor.
Ako biste željeli koristiti zadnja 2 načina plaćanja, nazovite našeg menadžera i on će Vam dati upute kako dobiti račun s PDV‑om ili bez PDV‑a.
Električni uređaji koje isporučujemo zadovoljavaju visoke standarde kvalitete, imaju jamstvo 24 mjeseca i ispunjavaju sve zahtjeve EU.U slučaju reklamacije povrat robe se ne naplaćuje.
