RGT-12E - Regulator jalove snage 12-stupanjski +TCR
Nije uspjelo učitavanje dostupnosti preuzimanja
12 koraka + TCR Regulator faktora snage s 2,9-inčnim grafičkim LCD zaslonom (TENSE)
Regulator jalove snage RGT-12E (TENSE) je potpuno automatski uređaj za optimalno uključivanje kompenzacijskih stupnjeva.
Digitalna obrada vrijednosti izmjerenih regulatorom osigurava visoku točnost procjene efektivne vrijednosti napona, struje i faktora snage.
Instalacija uređaja je potpuno automatska - regulator sam otkriva veličinu pojedinih priključenih kompenzacijskih stupnjeva. Te parametre također je moguće unijeti ručno.
Regulator uključuje i isključuje kompenzacijske stupnjeve tako da regulacija jalove snage prođe s minimalnim brojem uključenja. Regulator istovremeno uzima u obzir ravnomjerno opterećenje pojedinih stupnjeva i prioritetno uključuje one koji su isključeni najduže vrijeme i kod kojih je preostali naboj minimalan. Tijekom regulacije provodi se istovremeno kontinuirana kontrola kompenzacijskih stupnjeva - otkrivaju se kvarovi i promjene vrijednosti, periodički se testiraju privremeno isključeni stupnjevi i eventualno se ponovno uključuju u regulacijski proces.
Ulaz generatora i kompenzacija generatora
Vrijeme djelovanja, pražnjenja i stabilizacije može se podesiti
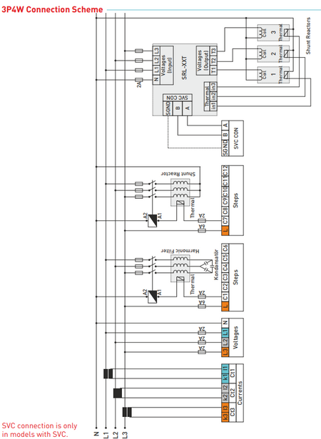
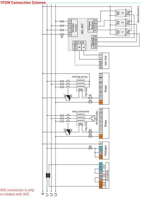
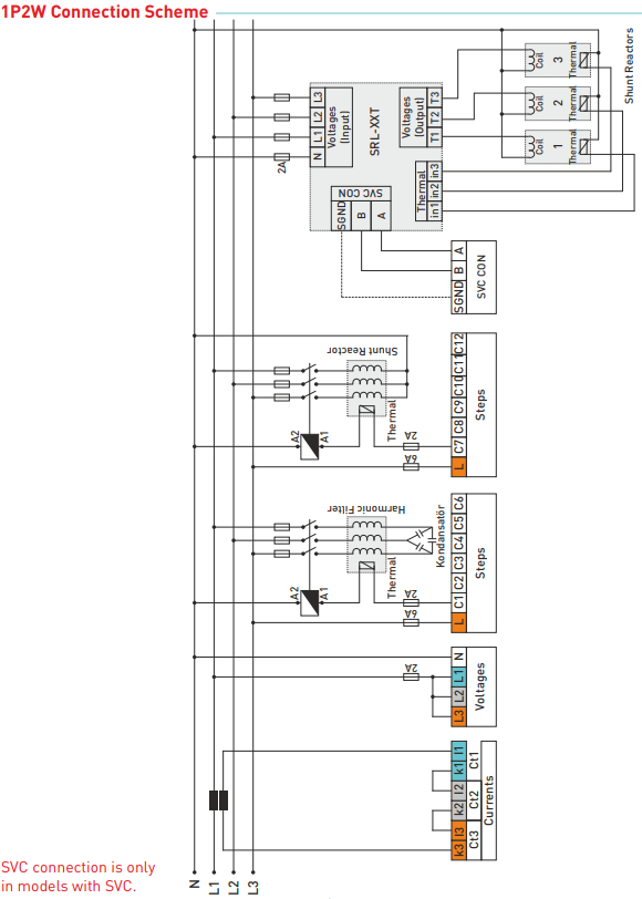
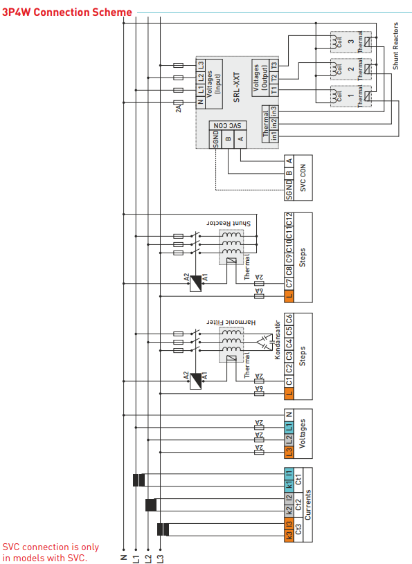
Mogu se priključiti jednofazni, dvofazni i trofazni kondenzator i bočni reaktor
Harmonijski napon i struja mogu se promatrati do 31. harmonike
Mogu se pratiti ukupne energije (uvoz/izvoz)
Vrijednosti THD-V i THD-I svake faze mogu se promatrati
Izrada analize snage (20 uzoraka 9999 min.) - za odabir kondenzatora
gpt-5-chat-latestToday at 13:31
Na hrvatski prijevod izgleda ovako:
Načini plaćanja
Online plaćanje karticom – nakon dovršetka narudžbe bit ćete preusmjereni na platnu stranicu, a potvrdu o uplati dobit ćete e‑poštom.
Pouzećem – iznos prema uplatnom nalogu plaćate vozaču dostavne službe.
Transakcijom / bankovnom uplatom – na Vašu e‑poštu najkasnije sljedeći radni dan dobit ćete predračun na kojem se nalazi broj računa koji trebate upisati prilikom plaćanja.
Na račun (fakturu) – ovu opciju plaćanja imaju partneri koji s našom tvrtkom imaju potpisan okvirni ugovor.
Ako biste željeli koristiti zadnja 2 načina plaćanja, nazovite našeg menadžera i on će Vam dati upute kako dobiti račun s PDV‑om ili bez PDV‑a.
Električni uređaji koje isporučujemo zadovoljavaju visoke standarde kvalitete, imaju jamstvo 24 mjeseca i ispunjavaju sve zahtjeve EU.U slučaju reklamacije povrat robe se ne naplaćuje.
