RGT-MT18 - Regulator jalove snage 18-stupanjski +TCR s RS485 ModBus
Nije uspjelo učitavanje dostupnosti preuzimanja
18 koraka + TCR regulator faktora snage za simetrične / asimetrične mreže s 5-inčnim dodirnim zaslonom i RS-485 (TENSE)
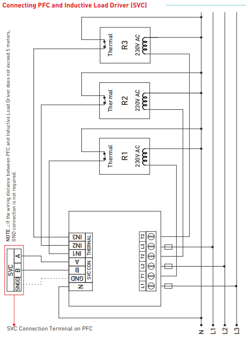
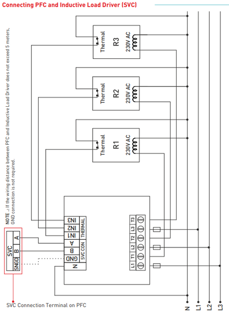
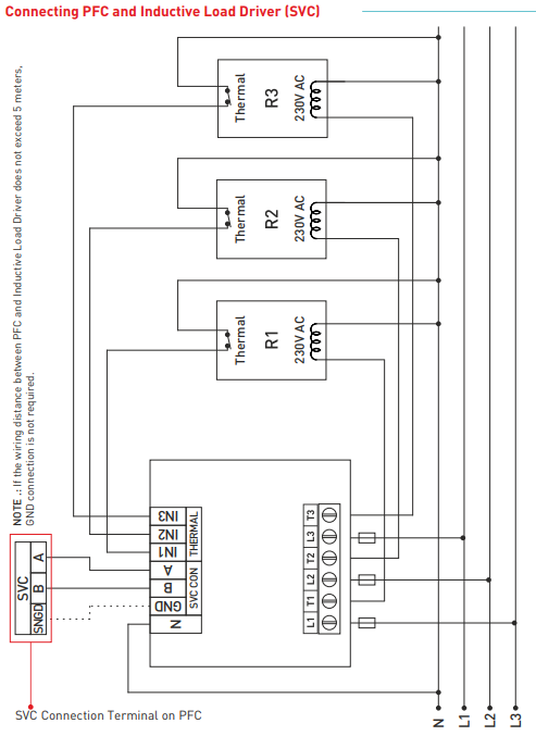
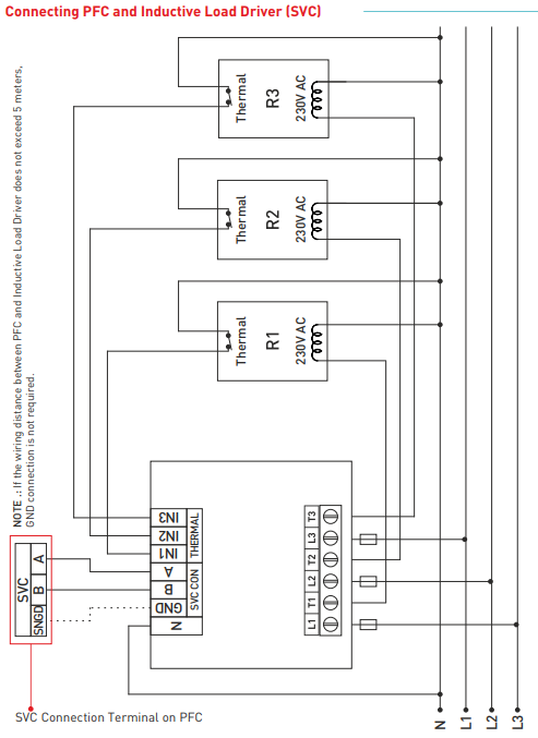
Releji za upravljanje jalovom snagom su dizajnirani kako bi smanjili jalovu snagu (induktivnu i kapacitivnu) koja se ne koristi opterećenjem i koja se crpi iz mreže. Ako se iz mreže crpi induktivna snaga, reagira uključivanjem kondenzatora odgovarajuće vrijednosti. Ako se iz mreže crpi kapacitivna snaga, reagira uključivanjem bočnog reaktora (prigušnice) odgovarajuće vrijednosti. Pokušava se na taj način smanjiti omjer induktivne/aktivne i kapacitivne/aktivne snage u sustavu. Dizajniran je da pruži razumniju kompenzaciju u nesimetričnim induktivnim i kapacitivnim sustavima s korakom RGT-MT18 TCR
Ulaz generatora i kompenzacija generatora
Napon, harmonična struja/napon, induktivni i kapacitivni alarmni izlaz
Vremena intervencije, pražnjenja i stabilizacije mogu se podesiti
Daljinska komunikacija s RS485 (RS485 ModBus RTU)
Moguće je priključiti jednofazni, dvofazni i trofazni kondenzator i bočni reaktor
Harmonijski napon i struja mogu se pratiti do 61. harmonike
Mogu se pratiti ukupne energije (uvoz/izvoz)
Vrijednosti THD-V i THD-I svake faze mogu se pratiti
Izrada analize snage (20 uzoraka 9999 min.) - za odabir kondenzatora
Izlaz temperaturnog alarma
Registracija potražnje (aktivna, reaktivna i prividna snaga te trenutna potražnja)
Mogu se pratiti minimalne, maksimalne i prosječne vrijednosti struje i napona svake faze
Točan datum i vrijeme
gpt-5-chat-latestToday at 13:31
Na hrvatski prijevod izgleda ovako:
Načini plaćanja
Online plaćanje karticom – nakon dovršetka narudžbe bit ćete preusmjereni na platnu stranicu, a potvrdu o uplati dobit ćete e‑poštom.
Pouzećem – iznos prema uplatnom nalogu plaćate vozaču dostavne službe.
Transakcijom / bankovnom uplatom – na Vašu e‑poštu najkasnije sljedeći radni dan dobit ćete predračun na kojem se nalazi broj računa koji trebate upisati prilikom plaćanja.
Na račun (fakturu) – ovu opciju plaćanja imaju partneri koji s našom tvrtkom imaju potpisan okvirni ugovor.
Ako biste željeli koristiti zadnja 2 načina plaćanja, nazovite našeg menadžera i on će Vam dati upute kako dobiti račun s PDV‑om ili bez PDV‑a.
Električni uređaji koje isporučujemo zadovoljavaju visoke standarde kvalitete, imaju jamstvo 24 mjeseca i ispunjavaju sve zahtjeve EU.U slučaju reklamacije povrat robe se ne naplaćuje.
